Riegel TZ-A... für Sicherheitsschalter TZ
- Riegel aus nicht rostendem Stahl
- Für rechts angeschlagene Türen
- In geöffneter Stellung mit Vorhängeschlössern absperrbar
- Betätiger und Schalteraufnahme im Lieferumfang enthalten

Beschreibung
Vorteile
- Stabile Ausführung
- Leichte Montage über Schraubverbindungen an marktüblichen Aluminiumprofilen und Maschinenverkleidungen
- Kein zusätzlicher Türgriff erforderlich
Besonderheiten
- Leichte Bedienbarkeit
Ausführung in Edelstahl
- Geeignet für den Einsatz in der chemischen und der Lebensmittelindustrie
- Schraubenwerkstoff Edelstahl
- Griff und Schieberleisten aus Edelstahl

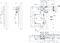
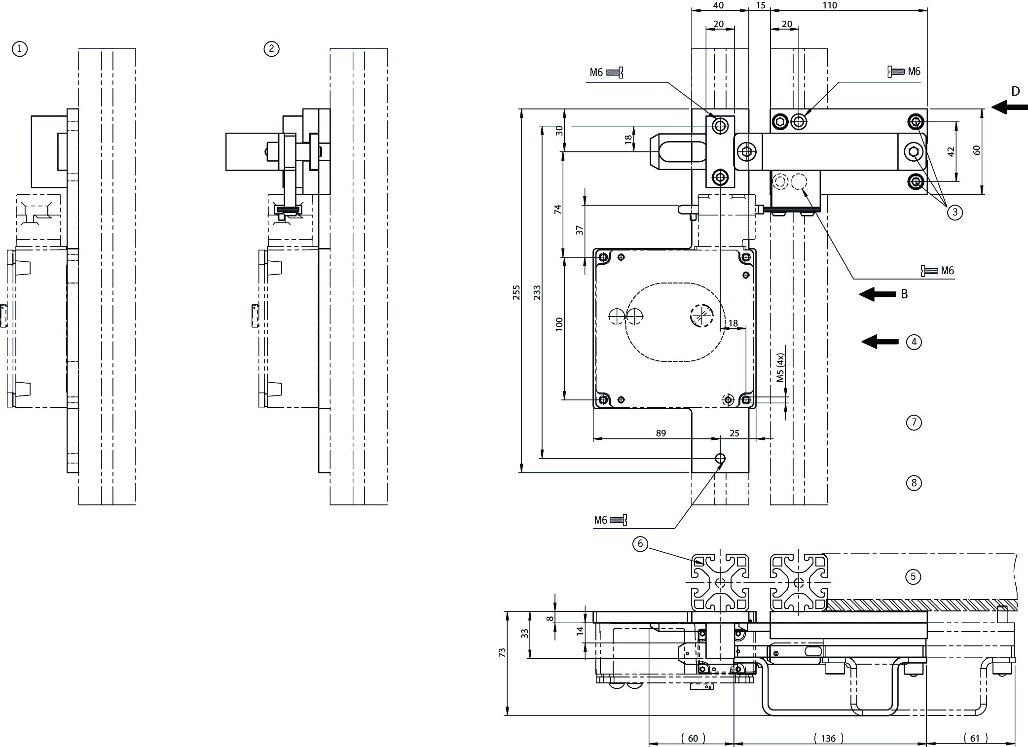
Maßzeichnungen

| 1 | Ansicht B |
| 2 | Ansicht D |
| 3 | Schraube gesichert |
| 4 | Sicherheitsschalter TZ Anfahrrichtung A |
| 5 | Rechts angeschlagene Türe |
| 6 | Schutzgitterrahmen (40x40) |
| 7 | Achtung! Riegel darf nicht in Verbindung mit einer Fluchtentriegelung verwendet werden. |
| 8 | Riegel aus Edelstahl 1.4301 Schrauben aus Edelstahl V2A Griff und Schieberleisten aus Edelstahl 1.4301 |
Technische Daten
Mechanische Werte und Umgebung
| Anfahrrichtung | A |
| Anzahl montierbarer Sicherheitsschalter | 1 |
| Fluchtentriegelung | keine |
| Lagertemperatur | -25 ... 70 °C |
| Werkstoff | |
| Führungsleisten | rostbeständiger Stahl |
| Griff | rostbeständiger Stahl |
| Schalteraufnahme | rostbeständiger Stahl |
| Grundplatte | rostbeständiger Stahl |
Verschiedenes
| Rastung | keine |
Downloads
Anleitungen
Sicherheitsinformation für Riegel
Dok.-Nr.
Version
Sprache
Größe
Sicherheitsinformation für Riegel
Dok.-Nr.
2530033
Version
04-03/24
Sprache
Größe
0,2 MB
Sicherheitsinformation für Riegel
Safety Information for Bolts
Information de sécurité pour verrous-targettes
Información de seguridad para cerrojos
Safety Information for Bolts
Information de sécurité pour verrous-targettes
Información de seguridad para cerrojos
Dok.-Nr.
2530033
Version
04-03/24
Sprache
Größe
0,2 MB
Informação de segurança referente ao trinco
Dok.-Nr.
2530033
Version
04-03/24
Sprache
Größe
0,4 MB
Informazioni sulla sicurezza per il chiavistello
Dok.-Nr.
2530033
Version
04-03/24
Sprache
Größe
0,1 MB
Bezpečnostní informace pro petlice
Dok.-Nr.
2530033
Version
04-03/24
Sprache
Größe
0,5 MB
Tolózár biztonsági információi
Dok.-Nr.
2530033
Version
04-03/24
Sprache
Größe
0,5 MB
Информация за безопасност за ригели
Dok.-Nr.
2530033
Version
04-03/24
Sprache
Größe
0,5 MB
Sikkerhedsinformation for bolte
Dok.-Nr.
2530033
Version
04-03/24
Sprache
Größe
0,4 MB
Ohutusalane teave riivistuste kohta
Dok.-Nr.
2530033
Version
04-03/24
Sprache
Größe
0,5 MB
Turvallisuustietoja salvalle
Dok.-Nr.
2530033
Version
04-03/24
Sprache
Größe
0,4 MB
Πληροφορίες ασφαλείας για μάνδαλα
Dok.-Nr.
2530033
Version
04-03/24
Sprache
Größe
0,5 MB
Sigurnosne informacije za brave
Dok.-Nr.
2530033
Version
04-03/24
Sprache
Größe
0,5 MB
Aizbīdņu drošības informācija
Dok.-Nr.
2530033
Version
04-03/24
Sprache
Größe
0,5 MB
Saugos informacija skląsčiui
Dok.-Nr.
2530033
Version
04-03/24
Sprache
Größe
0,5 MB
Veiligheidsinformatie voor grendels
Dok.-Nr.
2530033
Version
04-03/24
Sprache
Größe
0,4 MB
Sikkerhetsinformasjon for låser
Dok.-Nr.
2530033
Version
04-03/24
Sprache
Größe
0,4 MB
Informacje o bezpieczeństwie dotyczące użytkowania zasuw
Dok.-Nr.
2530033
Version
04-03/24
Sprache
Größe
0,5 MB
Säkerhetsinformation för regeln
Dok.-Nr.
2530033
Version
04-03/24
Sprache
Größe
0,4 MB
Varnostne informacije o zapahu
Dok.-Nr.
2530033
Version
04-03/24
Sprache
Größe
0,5 MB
Bezpečnostná informácia pre závory
Dok.-Nr.
2530033
Version
04-03/24
Sprache
Größe
0,5 MB
Sürgüler için güvenlik bilgisi
Dok.-Nr.
2530033
Version
04-03/24
Sprache
Größe
0,5 MB
Informații de siguranță privind zăvoarele
Dok.-Nr.
2530033
Version
04-03/24
Sprache
Größe
0,5 MB
Bestelldaten
| Bestellnummer | 117193 |
| Artikelbezeichnung | RIEGEL TZ-A-NIRO-C2392 |
| Bruttogewicht | 2,747kg |
| Zolltarifnummer | 83014090000 |