Sicherheitsschalter TX, Leitungseinführung NPT 1/2 "
- 3 x Leitungseinführung NPT 1/2 "
- Kontakte für die Türstellung
- Hilfsentriegelung
- LED-Anzeige
- Ruhestromprinzip

Beschreibung
LED Anzeige
Der Schalter verfügt über zwei frei belegbare LED Anzeigen (rot und grün).
Zuhaltungsprinzip
Ruhestrom (Power to unlock): Bei einer Schutzeinrichtung mit Zuhaltung nach dem Ruhestromprinzip wird die Schutzeinrichtung solange durch eine Federkraft zugehalten, bis der Zuhaltemagnet mit Strom versorgt wird. Die Entsperrung erfolgt mittels Magnetkraft. Man spricht auch von mechanischer Zuhaltung.
Schaltelement
ETX B | Schleichschaltglied |
Kontakte für Zuhaltung: 2 Zwangsöffner | |
Kontakte für Türüberwachung: 1 Öffner |
Hilfsentriegelung
Die Hilfsentriegelung an der Frontseite ermöglicht den Zugang zur Maschine im Falle einer Fehlfunktion, z. B. eines Spannungsausfalls. Das Entsperren erfolgt dabei mit einem Werkzeug oder einem Schlüssel. Die Hilfsentriegelung muss gegen Missbrauch gesichert sein (Plombe, Verlackung).
Erforderliches Zubehör
Betätiger ist nicht im Lieferumfang enthalten.
Funktionszeichnungen

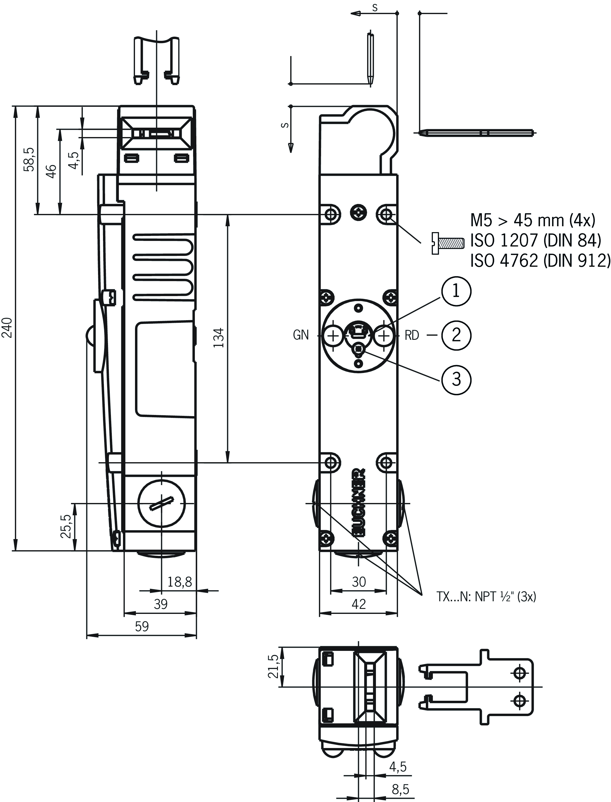
Maßzeichnungen

| 1 | Hilfsentriegelung |
| 2 | LED-Anzeige |
| 3 | Sicherungsschraube |
| s | Eintauchtiefe |
Anschlussbeispiele

Technische Daten
Zulassungen





Bedien- und Anzeigeelemente
| LED-Anzeige | Betriebsspannung entspricht der Magnetspannung (2 LED; grün, rot) |
Elektrische Anschlusswerte
| Absicherung | max. 4 A gG |
| Anschlussleistung | 10 W |
| Anschlussquerschnitt | 0.34 ... 1.5 mm² |
| Bemessungsisolationsspannung Ui | 250 V |
| Bemessungsstoßspannung Uimp | 2.5 kV |
| Gebrauchskategorie | |
| DC-13 | 4A 24V |
| AC-15 | 4A 230V |
| Magnetbetriebsspannung | |
| AC | 110 V -15% ... +10% |
| Magnet-Einschaltdauer ED | 100 % |
| Schaltspannung | |
| min. bei 10mA | 12 V |
| Schaltstrom | |
| min. bei 24V | 1 mA |
| thermischer Bemessungsstrom Ith | 4 A |
Mechanische Werte und Umgebung
| Anfahrgeschwindigkeit | max. 20 m/min |
| Anfahrrichtung | A |
| Anschlussart | |
| 3 x | NPT 1/2 " |
| Anzahl Öffner Türstellung | 1 |
| Anzahl Schließer Zuhaltungsüberwachung | 1 |
| Anzahl Zwangsöffner Zuhaltungsüberwachung | 2 |
| Auszugskraft | 35 N |
| Betätigungshäufigkeit | max. 1200 1/h |
| Betätigungskraft | 35 N |
| Einbaulage | beliebig |
| Eintauchtiefe | 32 mm |
| Lagertemperatur | -25 ... 80 °C |
| Mechanische Lebensdauer | 1 x 10⁶ |
| Rückhaltekraft | 20 N |
| Schaltprinzip | Schleichschaltglied |
| Schutzart | IP67 |
| Umgebungstemperatur | -20 ... 80 °C |
| Werkstoff | |
| Kontakt | Silberlegierung, hauchvergoldet |
| Gehäuse | Leichtmetal-Druckguss, kathodisch tauchlackiert |
| Zuhaltekraft Fmax | 1700 N |
| Zuhaltekraft FZh | 1300 N |
| Zuhaltungsprinzip | Ruhestromprinzip |
Kennwerte nach EN ISO 13849-1 / EN IEC 62061
| B10D | Gebrauchsdauer | |
|---|---|---|
| Überwachen der Zuhaltung | 5x106 | 20 y |
| Wichtig! Werte gültig bei DC-13 100 mA/24V | ||
| PL | maximaler SIL | Kategorie | Gebrauchsdauer | |
|---|---|---|---|---|
| Ansteuern der Zuhaltung | Abhängig von der externen Ansteuerung der Zuhaltung | 20 y | ||
In Kombination mit Betätiger BETAETIGER-X-GQ
| Nachlauf | 1 mm |
In Kombination mit Betätiger BETAETIGER-X-GNQ
| Nachlauf | 8 mm |
Zubehör
Downloads
Einzeldokumente
EU declaration of conformity
Déclaration UE de conformité
Declaración de conformidad UE
Dichiarazione UE di conformità
EU declaration of conformity
Déclaration UE de conformité
Declaración de conformidad UE
Dichiarazione UE di conformità
Sonstige Dokumente
CAD-Daten
Bestelldaten
| Bestellnummer | 085382 |
| Artikelbezeichnung | TX1B-A110N |
| Bruttogewicht | 0,8kg |
| Zolltarifnummer | 85365019000 |
| ECLASS | 27-27-26-03 Sicherheitsschalter mit Zuhaltung |
+ 1 Schließer




















