Sicherheitsschalter TX, Leitungseinführung M20 x 1,5, Fluchtentriegelung
- 3 x Leitungseinführung M20 x 1,5
- Kontakte für die Türstellung
- Fluchtentriegelung, lang
- Hilfsentriegelung
- LED-Anzeige
- Ruhestromprinzip

Beschreibung
LED Anzeige
Der Schalter verfügt über zwei frei belegbare LED Anzeigen (rot und grün).
Zuhaltungsprinzip
Ruhestrom (Power to unlock): Bei einer Schutzeinrichtung mit Zuhaltung nach dem Ruhestromprinzip wird die Schutzeinrichtung solange durch eine Federkraft zugehalten, bis der Zuhaltemagnet mit Strom versorgt wird. Die Entsperrung erfolgt mittels Magnetkraft. Man spricht auch von mechanischer Zuhaltung.
Schaltelement
ETX C | Schleichschaltglied |
Kontakte für Zuhaltung: 2 Zwangsöffner | |
Kontakte für Türüberwachung: 1 Schließer |
Hilfsentriegelung
Die Hilfsentriegelung an der Frontseite ermöglicht den Zugang zur Maschine im Falle einer Fehlfunktion, z. B. eines Spannungsausfalls. Das Entsperren erfolgt dabei mit einem Werkzeug oder einem Schlüssel. Die Hilfsentriegelung muss gegen Missbrauch gesichert sein (Plombe, Verlackung).
Fluchtentriegelung
Dient im Gefahrenfall zum Entsperren der Zuhaltung ohne Hilfsmittel aus dem Gefahrenbereich.
Erforderliches Zubehör
Betätiger ist nicht im Lieferumfang enthalten.




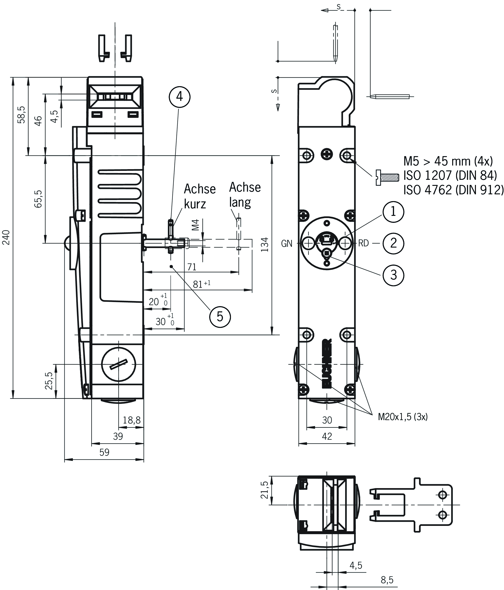
Funktionszeichnungen

Maßzeichnungen

| 1 | Hilfsentriegelung |
| 2 | LED-Anzeige |
| 3 | Sicherungsschraube |
| 4 | Fluchtentriegelung, Grundstellung |
| 5 | Fluchtentriegelung, Stellung entriegelt |
Anschlussbeispiele

Technische Daten
Zulassungen





Bedien- und Anzeigeelemente
| LED-Anzeige | Betriebsspannung entspricht der Magnetspannung (2 LED; grün, rot) |
Elektrische Anschlusswerte
| Absicherung | max. 4 A gG |
| Anschlussleistung | 8 W |
| Anschlussquerschnitt | 0.34 ... 1.5 mm² |
| Bemessungsisolationsspannung Ui | 50 V |
| Bemessungsstoßspannung Uimp | 2.5 kV |
| Gebrauchskategorie | |
| AC-15 | 4A 50V |
| DC-13 | 4A 24V |
| Magnetbetriebsspannung | |
| AC/DC | 24 V -15% ... +10% |
| Magnet-Einschaltdauer ED | 100 % |
| Schaltspannung | |
| min. bei 10mA | 12 V |
| Schaltstrom | |
| min. bei 24V | 1 mA |
| thermischer Bemessungsstrom Ith | 4 A |
Mechanische Werte und Umgebung
| Anfahrgeschwindigkeit | max. 20 m/min |
| Anfahrrichtung | A |
| Anschlussart | |
| 3 x | M20 x 1,5 |
| Anzahl Schließer Türstellung | 1 |
| Anzahl Schließer Zuhaltungsüberwachung | 1 |
| Anzahl Zwangsöffner Zuhaltungsüberwachung | 2 |
| Auszugskraft | 35 N |
| Betätigungshäufigkeit | max. 1200 1/h |
| Betätigungskraft | 35 N |
| Einbaulage | beliebig |
| Eintauchtiefe | 32 mm |
| Lagertemperatur | -25 ... 80 °C |
| Mechanische Lebensdauer | 1 x 10⁶ |
| Rückhaltekraft | 20 N |
| Schaltprinzip | Schleichschaltglied |
| Schutzart | IP67 |
| Umgebungstemperatur | -20 ... 80 °C |
| Werkstoff | |
| Gehäuse | Leichtmetal-Druckguss, kathodisch tauchlackiert |
| Kontakt | Silberlegierung, hauchvergoldet |
| Zuhaltekraft Fmax | 1700 N |
| Zuhaltekraft FZh | 1300 N |
| Zuhaltungsprinzip | Ruhestromprinzip |
Kennwerte nach EN ISO 13849-1 / EN IEC 62061
| B10D | Gebrauchsdauer | |
|---|---|---|
| Überwachen der Zuhaltung | 5x106 | 20 y |
| Wichtig! Werte gültig bei DC-13 100 mA/24V | ||
| PL | maximaler SIL | Kategorie | Gebrauchsdauer | |
|---|---|---|---|---|
| Ansteuern der Zuhaltung | Abhängig von der externen Ansteuerung der Zuhaltung | 20 y | ||
Verschiedenes
| C-Nummer | |
| C2161 | Fluchtentriegelung mit langer Achse |
In Kombination mit Betätiger BETAETIGER-X-GQ
| Nachlauf | 1 mm |
In Kombination mit Betätiger BETAETIGER-X-GNQ
| Nachlauf | 8 mm |
Zubehör

RIEGEL TX-AF
- Riegel für Sicherheitsschalter mit Fluchtentriegelung TX...C1991 und 2161
- Riegel aus Stahl
- Für rechts angeschlagene Türen
- Fluchthebel
- Rastknopf in geöffneter Stellung
- Geeignet für einen Türspalt von ca. 15 mm

RIEGEL TX-CF
- Riegel für Sicherheitsschalter mit Fluchtentriegelung TX...C1991 und 2161
- Riegel aus Stahl
- Für links angeschlagene Türen
- Fluchthebel
- Rastknopf in geöffneter Stellung
- Geeignet für einen Türspalt von ca. 15 mm
Downloads
Einzeldokumente
EU declaration of conformity
Déclaration UE de conformité
Declaración de conformidad UE
Dichiarazione UE di conformità
EU declaration of conformity
Déclaration UE de conformité
Declaración de conformidad UE
Dichiarazione UE di conformità
Sonstige Dokumente
CAD-Daten
Bestelldaten
| Bestellnummer | 099489 |
| Artikelbezeichnung | TX1C-A024MC2161 |
| Bruttogewicht | 1,023kg |
| Zolltarifnummer | 85365019000 |
| ECLASS | 27-27-26-03 Sicherheitsschalter mit Zuhaltung |
+ 1 Schließer














