A-FLX-C11-05-N001-175185 (Best. Nr. 175301)

Transpondercodierter Sicherheitsschalter CTP-AP, 2 x M12, Edelstahl

  • Sicherheitsschalter mit Zuhaltung und integrierter Auswerteelektronik
  • Ausführung mit Bauteilen in Edelstahl
  • Zertifikat ECOLAB
  • Direkter Anschluss an dezentrale Peripheriesysteme (z.B. ET200pro)
  • Querschlussüberwachung
  • 2 Sicherheitsausgänge (Halbleiterausgänge)
  • Bis Kategorie 4 / PL e nach EN ISO 13849-1
  • Mit 2 Steckverbindern M12
  • Unicode
  • Anfahrrichtung A, B und C (Auslieferungszustand)
A-FLX-C11-05-N001-175185 (Best. Nr. 175301)

Beschreibung

medienbeständige Ausführung aus Edelstahl

robust, widerstandsfähig und weitestgehend medienbeständig. Kritische Bauteile wie Stecker, Deckelschrauben, Führungsbuchse, etc. sind aus hochwertigem INOX.

Anfahrrichtung

Horizontal

Umstellbar in 90°-Schritten

Unicode-Auswertung

Jeder Betätiger ist hochcodiert (Unicode). Der Schalter erkennt nur gelernte Betätiger. Es können weitere Betätiger gelernt werden. Es wird immer nur der jeweils zuletzt gelernte Betätiger erkannt.

Zuhaltungsart

CTP‑L1

Zuhaltung durch Federkraft betätigt und durch Energie EIN entsperrt (Ruhestromprinzip).

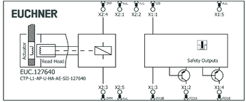
Steckerbelegung

Steckverbinder (Ansicht auf Steckseite)PINBezeichnungFunktionAderfarbe Anschlussleitung

X 1.1UBBetriebsspannung AP-Elektronik, 24 V DCBN
X 1.2FO1ASicherheitsausgang Kanal 1 WH
X 1.30 V UBBetriebsspannung AP-Elektronik 0 VBU
X 1.4FO1BSicherheitsausgang Kanal 2 BK
X 1.5-Nicht belegtGY
X 2.1-Nicht belegtBN
X 2.2-Nicht belegtWH
X 2.3IMMSteuereingang Zuhaltemagnet 0 VBU
X 2.4IMPSteuereingang Zuhaltemagnet, 24 V DCBK
X 2.5-Nicht belegtGY
Maßzeichnung
Maßzeichnung
Anschlussplan
Anschlussplan

Maßzeichnungen

Maßzeichnungen
1Hilfsentriegelung
2Sicherungsschraube
3LEDs

Anschlussbeispiele

Anschlussbeispiele

Technische Daten

Zulassungen

EAC_RU C-DE.MO05.B.00971/20c_UL_us_E155795_3/11ECOLAB__CTP S

Arbeitsbereich

Wiederholgenauigkeit R 10 %

Elektrische Anschlusswerte

Absicherung
extern (Magnetbetriebsspannung IMP) 0.5 ... 8 A
extern (Betriebsspannung UB) 0.25 ... 8 A
Anschlussleistung 6 W
Bemessungsisolationsspannung Ui 50 V
Bemessungsstoßspannung Uimp 0.5 kV
Betriebsspannung DC
UUB 24 V DC -15% ... +15% verpolsicher, geregelt, Restwelligkeit < 5 %, PELV
EMV-Schutzanforderungen gemäß EN IEC 60947-5-3
Gebrauchskategorie
DC-13 24V 150mA (Vorsicht: Ausgänge müssen bei induktiven Lasten mit einer Freilaufdiode geschützt werden)
Magnetbetriebsspannung DC
UIMP 24 V DC -15% ... +10% verpolsicher, geregelt, Restwelligkeit < 5 %, PELV
Magnet-Einschaltdauer ED 100 %
Schaltlast
nach UL 24V DC, Class 2 (alternativ siehe Betriebsanleitung)
Schutzklasse III
Stromaufnahme
IUB 40 mA
IIMP 400 mA
Testimpulsdauer max. 0.3 ms (Gilt für eine Last mit C <= 30nF und R <= 20kOhm)
Testimpulsintervall min. 100 ms
Verschmutzungsgrad (extern, nach EN 60947-1) 3
Sicherheitsausgänge FO1A / FO1B
Art des Ausgangs 2 Halbleiterausgänge, p-schaltend, kurzschlusssicher
Ausgangsspannung
HIGH U(FO1A) / U(FO1B) UB-1.5 ... UB V DC
LOW U(FO1A) / U(FO1B) 0 ... 1 V DC
Diskrepanzzeit
beider Sicherheitsausgänge max. 10 ms gemäß EN IEC 60947-5-3
Einschaltzeit max. 400 ms
Reststrom Ir max. 0.25 mA
Schaltstrom
je Sicherheitsausgang FO1A / FO1B 1 ... 150 mA

Mechanische Werte und Umgebung

Anfahrgeschwindigkeit max. 20 m/min
Anschlussart 2 Steckverbinder M12, 5-polig
Auszugskraft 20 N
Bereitschaftsverzögerung max. 1 s
Betätigungskraft 10 N
Einbaulage beliebig
Schaltfrequenz max. 0.5 Hz
Lagertemperatur -25 ... 70 °C
Mechanische Lebensdauer 1 x 10⁶
Nachlauf 5 mm
Rückhaltekraft 20 N
Schock- und Schwingfestigkeit gemäß EN IEC 60947-5-3
Schutzart IP67/IP69/IP69K (Im gesteckten und gesicherten Zustand)
Umgebungstemperatur
bei UB = 24 V DC -20 ... 55 °C
Werkstoff
Dichtungen NBR
Metallwerkstoff Edelstahl
Sicherheitsschaltergehäuse glasfaserverstärkter Thermoplast
Zuhaltekraft Fmax 3900 N
Zuhaltekraft FZh 3000 N (Fzh = Fmax/1,3 Abhängig vom verwendeten Betätiger)
Zuhaltungsprinzip Ruhestromprinzip

Kennwerte nach EN ISO 13849-1 / EN IEC 62061

PLmaximaler SILPFHDKategorieGebrauchsdauer
Überwachen der ZuhaltungPL e-4.1x10-9420 y


PLmaximaler SILKategorieGebrauchsdauer
Ansteuern der ZuhaltungAbhängig von der externen Ansteuerung der Zuhaltung20 y


Verschiedenes

Hinweise für UL-Zulassung Betrieb nur mit UL-Class 2 Spannungsversorgung oder gleichwertigen Maßnahmen siehe Betriebsanleitung

Downloads

Einzeldokumente

Sonstige Dokumente

Bestelldaten

Bestellnummer 175301
Artikelbezeichnung A-FLX-C11-05-N001-175185
Bruttogewicht 1,29kg
Zolltarifnummer 85365019000
ECLASS 27-27-24-05 Sicherheitsgerichteter Transponderschalter mit Zuhaltung