HomeProduktePositionsschalter und ReihengrenztasterPositionsschalter nach EN 50041 NGNG1KO-510L060-M
Positionsschalter NG.KO
- Stößel-Betätiger KO (Kugelstößel)
- Leitungseinführung M20 x 1,5
- LED-Anzeige

Beschreibung
Schaltelement
510 | Sprungschaltglied 1 Ö + 1 S |
LED-Funktionsanzeige
Eine Funktionsanzeige ist für folgenden Spannungsbereich lieferbar:
- 12-60 V AC/DC L060
Umstellmöglichkeiten
Horizontal 4 x 90°
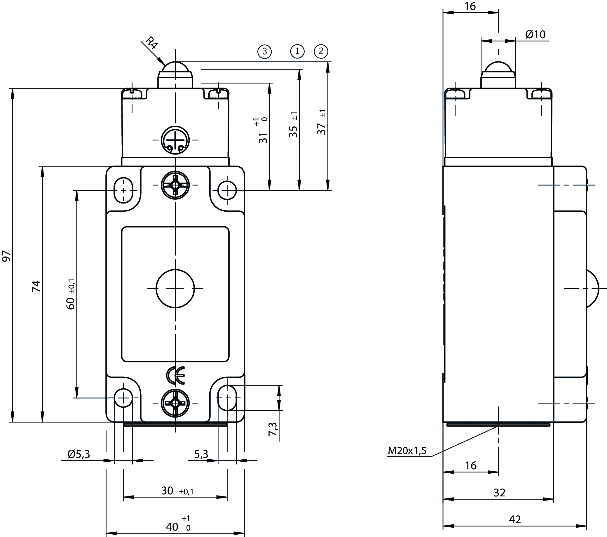
Maßzeichnungen

| 1 | Schaltpunkt |
| 2 | Ruhestellung |
| 3 | Endstellung |
Anschlussbeispiele

Schaltwegdiagramme

| g_Kontakte_geschlossen_NG_sw.eps | Kontakte geschlossen |
| g_Kontakte_offen_sw.eps | Kontakte offen |
Technische Daten
Zulassungen


Elektrische Anschlusswerte
| Absicherung | max. 6 A gG |
| Anschlussquerschnitt | 0.34 ... 0.75 mm² |
| Anzeigemodul | |
| AC/DC | 12 ... 60 ... 60 V LED rot |
| Bemessungsisolationsspannung Ui | 250 V |
| Bemessungsstoßspannung Uimp | 2.5 kV |
| Gebrauchskategorie | |
| AC-15 | 6A 230V |
| AC-12 | 10A 230V |
| DC-13 | 6A 24V |
| Schaltstrom | |
| min. bei DC 24V | 10 mA |
| thermischer Bemessungsstrom Ith | 6 A |
Mechanische Werte und Umgebung
| Anfahrgeschwindigkeit | 0.01 ... 10 m/min |
| Anschlussart | |
| 1 x | M20 x 1,5 |
| Anzahl Öffner Türstellung | 1 |
| Anzahl Schließer Türstellung | 1 |
| Betätigungselement | Kugelstößel |
| Betätigungskraft | 15 ... 30 N |
| Einbaulage | beliebig |
| Lagertemperatur | -25 ... 80 °C |
| Mechanische Lebensdauer | 30 x 10⁶ |
| Prelldauer | max. 3 ms |
| Schaltprinzip | Sprungschaltglied |
| Schließzeit | max. 4 ms |
| Schutzart | IP67 |
| Umgebungstemperatur | -25 ... 80 °C |
| Werkstoff | |
| Gehäuse | Leichtmetall Druckguss anodisch oxidiert |
| Kontakt | Silberlegierung, hauchvergoldet |
Zubehör
Downloads
Einzeldokumente
Anleitungen
Betriebsanleitung Positionsschalter NG…
Dok.-Nr.
Version
Sprache
Größe
Betriebsanleitung Positionsschalter NG…
Dok.-Nr.
2032310
Version
08/24
Sprache
Größe
0,6 MB
Betriebsanleitung Positionsschalter NG…
Operating instructions Position Switch NG…
Operating instructions Position Switch NG…
Dok.-Nr.
2032310
Version
08/24
Sprache
Größe
1,2 MB
Mode d’emploi Interrupteur de position NG…
Dok.-Nr.
2032310
Version
08/24
Sprache
Größe
0,6 MB
Manual de instrucciones Interruptor de posición NG…
Dok.-Nr.
2032310
Version
08/24
Sprache
Größe
0,6 MB
Istruzioni di impiego Finecorsa NG…
Dok.-Nr.
2032310
Version
08/24
Sprache
Größe
0,6 MB
Инструкция по эксплуатации Позиционные выключатели NG…
Dok.-Nr.
2032310
Version
08/24
Sprache
Größe
1,1 MB
İşletim kılavuzu Konum şalteri NG…
Dok.-Nr.
2032310
Version
08/24
Sprache
Größe
1,1 MB
Konformitätserklärungen
EU-Konformitätserklärung
Dok.-Nr.
Version
Sprache
Größe
EU-Konformitätserklärung
EU declaration of conformity
Déclaration UE de conformité
Declaración de conformidad UE
Dichiarazione UE di conformità
EU declaration of conformity
Déclaration UE de conformité
Declaración de conformidad UE
Dichiarazione UE di conformità
Dok.-Nr.
EDC2539628
Version
Sprache
Größe
0,2 MB
EU-Konformitätserklärung
EU declaration of conformity
Déclaration UE de conformité
Declaración de conformidad UE
Dichiarazione UE di conformità
EU declaration of conformity
Déclaration UE de conformité
Declaración de conformidad UE
Dichiarazione UE di conformità
Dok.-Nr.
EDC2539628
Version
Sprache
Größe
0,2 MB
UKCA-Konformitätserklärung
Dok.-Nr.
Version
Sprache
Größe
UKCA-Konformitätserklärung
Dok.-Nr.
EDC20001551
Version
Sprache
Größe
0,1 MB
Sonstige Dokumente
Verkaufsunterlagen
Positionsschalter und Reihengrenztaster
Dok.-Nr.
Version
Sprache
Größe
Positionsschalter und Reihengrenztaster
Dok.-Nr.
157835
Version
01-03/18
Sprache
Größe
4,1 MB
Position Switches and Multiple Limit Switches
Dok.-Nr.
157836
Version
01-03/18
Sprache
Größe
4,1 MB
Interrupteurs de position et boîtiers multipistes
Dok.-Nr.
157837
Version
01-03/18
Sprache
Größe
4,1 MB
Zulassungen und Bescheinigungen
c UL us
Dok.-Nr.
Version
Sprache
Größe
c UL us
Dok.-Nr.
Version
Sprache
Größe
0,3 MB
CAD-Daten
Bestelldaten
| Bestellnummer | 090197 |
| Artikelbezeichnung | NG1KO-510L060-M |
| Bruttogewicht | 0,314kg |
| Zolltarifnummer | 85365019000 |
| ECLASS | 27-27-06-01 Positionsschalter (Bauart 1) |





