HomeProduktePositionsschalter und ReihengrenztasterMechanische Einzelgrenztaster N01 und NB01 SN01N01D593-M
Präzisions-Einzelgrenztaster N01, Dachstößel, für Temperatur bis 140°C
- Für Hochtemperatur bis +140°C
- Stößelwerkstoff rostbeständiger Stahl

Beschreibung


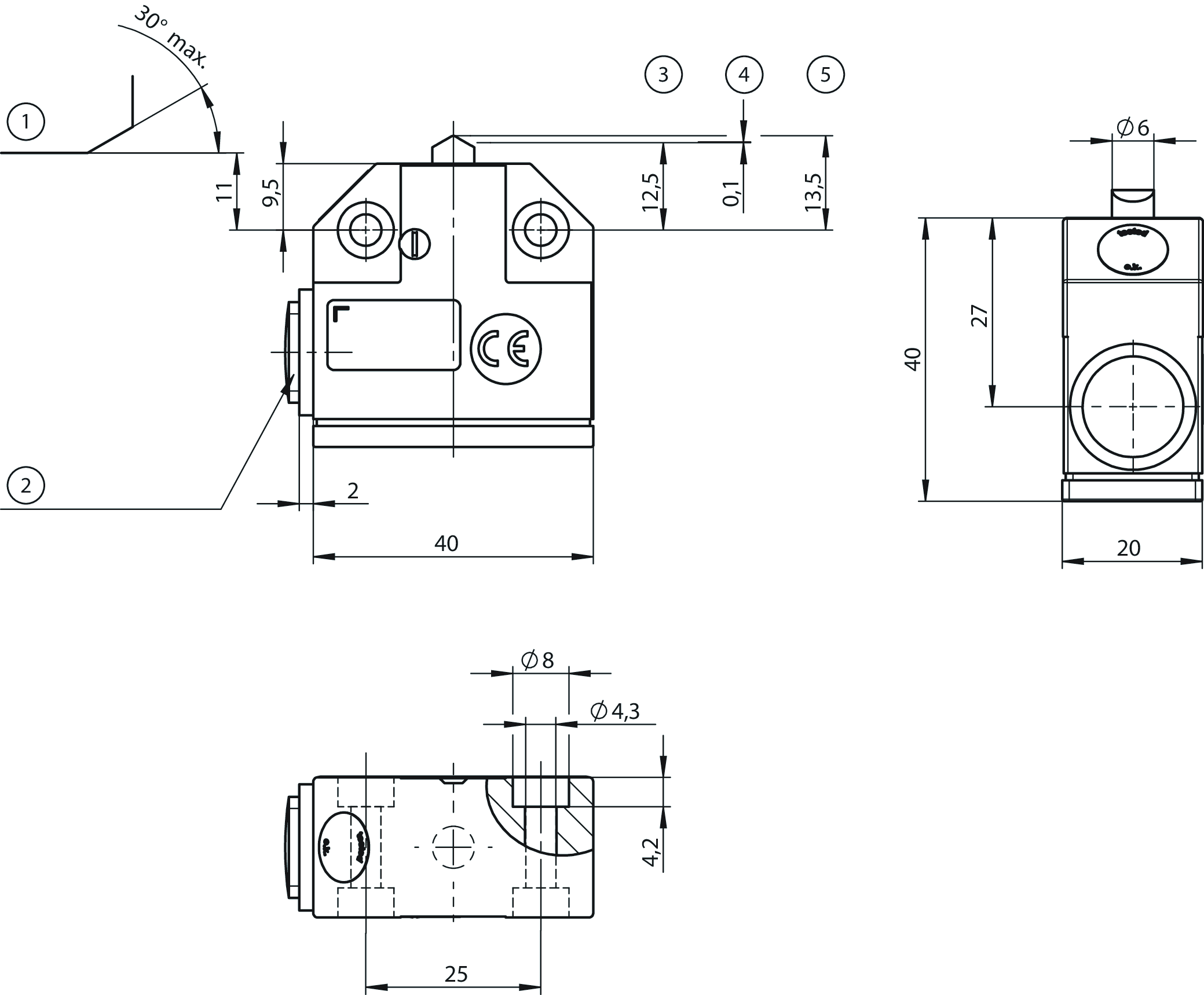
Maßzeichnungen

| 1 | Nocken |
| 2 | Verschlussschraube M12 x 1,5 |
| 3 | Schaltpunkt |
| 4 | Differenzweg |
| 5 | Ruhestellung |
Anschlussbeispiele

Technische Daten
Zulassungen


Elektrische Anschlusswerte
| Absicherung | max. 3 A gG |
| Anschlussquerschnitt | 0.14 ... 1 mm² (Lötanschluss) |
| Bemessungsisolationsspannung Ui | 250 V |
| Bemessungsstoßspannung Uimp | 2.5 kV |
| Gebrauchskategorie | |
| AC-15 | 3A 230V |
| DC-13 | 1A 24V |
| Schaltstrom | |
| min. bei DC 24V | 10 mA |
| thermischer Bemessungsstrom Ith | 3 A |
Mechanische Werte und Umgebung
| Anfahrgeschwindigkeit | 0.01 ... 20 m/min |
| Anschlussart | |
| 1 x | M12 x 1,5 |
| Anzahl Öffner Türstellung | 1 Wechsler |
| Anzahl Schließer Türstellung | 1 (Wechsler) |
| Betätigungselement | Dachstößel |
| Betätigungskraft | 15 ... 20 N |
| Einbaulage | beliebig |
| Lagertemperatur | -25 ... 125 °C |
| Mechanische Lebensdauer | 1 x 10⁶ (Getestet bei: 80°C: 1 x 10^6 125°C: 1 x 10^6 (Schmierung alle 200.000 Schaltspiele)) |
| Schaltprinzip | Wechsler mit Sprungfunktion |
| Schutzart | IP67 |
| Umgebungstemperatur | -5 ... 125 °C |
| Werkstoff | |
| Kontakt | Silberlegierung, hauchvergoldet |
| Gehäuse | Leichtmetall Druckguss anodisch oxidiert |
Kennwerte nach EN ISO 13849-1 / EN IEC 62061
| B10D | 20 x 10⁶ |
Verschiedenes
| Zusätzliches Merkmal | Umgebungstemp. Herstellerangabe Schaltelement: (Europa) max. 140°C / UL max. 130°C |
Downloads
Einzeldokumente
Anleitungen
Betriebsanleitung Präzisions-Einzelgrenztaster N01/NB01/SN01
Dok.-Nr.
Version
Sprache
Größe
Betriebsanleitung Präzisions-Einzelgrenztaster N01/NB01/SN01
Dok.-Nr.
2105376
Version
05/25
Sprache
Größe
0,7 MB
Operating Instructions Precision Single Limit Switch N01/NB01/SN01
Dok.-Nr.
2105376
Version
05/25
Sprache
Größe
0,7 MB
Mode d’emploi Fins de course monopistes de précision N01/NB01/SN01
Dok.-Nr.
2105376
Version
05/25
Sprache
Größe
0,7 MB
Manual de instrucciones Final de carrera unitario de precisión N01/NB01/SN01
Dok.-Nr.
2105376
Version
05/25
Sprache
Größe
0,7 MB
Istruzioni di impiego Finecorsa di precisione singoli N01/NB01/SN01
Dok.-Nr.
2105376
Version
05/25
Sprache
Größe
0,7 MB
Konformitätserklärungen
EU-Konformitätserklärung
Dok.-Nr.
Version
Sprache
Größe
EU-Konformitätserklärung
EU declaration of conformity
Déclaration UE de conformité
Declaración de conformidad UE
Dichiarazione UE di conformità
EU declaration of conformity
Déclaration UE de conformité
Declaración de conformidad UE
Dichiarazione UE di conformità
Dok.-Nr.
EDC2539628
Version
Sprache
Größe
0,2 MB
EU-Konformitätserklärung
EU declaration of conformity
Déclaration UE de conformité
Declaración de conformidad UE
Dichiarazione UE di conformità
EU declaration of conformity
Déclaration UE de conformité
Declaración de conformidad UE
Dichiarazione UE di conformità
Dok.-Nr.
EDC2539628
Version
Sprache
Größe
0,2 MB
UKCA-Konformitätserklärung
Dok.-Nr.
Version
Sprache
Größe
UKCA-Konformitätserklärung
Dok.-Nr.
EDC20001551
Version
Sprache
Größe
0,1 MB
Sonstige Dokumente
Zulassungen und Bescheinigungen
DNV-GL
Dok.-Nr.
Version
Sprache
Größe
DNV-GL
Dok.-Nr.
Version
Sprache
Größe
0,2 MB
Bestelldaten
| Bestellnummer | 163315 |
| Artikelbezeichnung | N01D593-M |
| Bruttogewicht | 0,089kg |
| Zolltarifnummer | 85365019000 |
| ECLASS | 27-27-06-01 Positionsschalter (Bauart 1) |