HomeProduktePositionsschalter und ReihengrenztasterMechanische Einzelgrenztaster N01 und NB01 SN01N01K572-M
Präzisions-Einzelgrenztaster N01, Kugelstößel
- Stößelwerkstoff rostbeständiger Stahl
- Für Temperaturen bis 180 °C

Beschreibung
Abbildung ähnlich


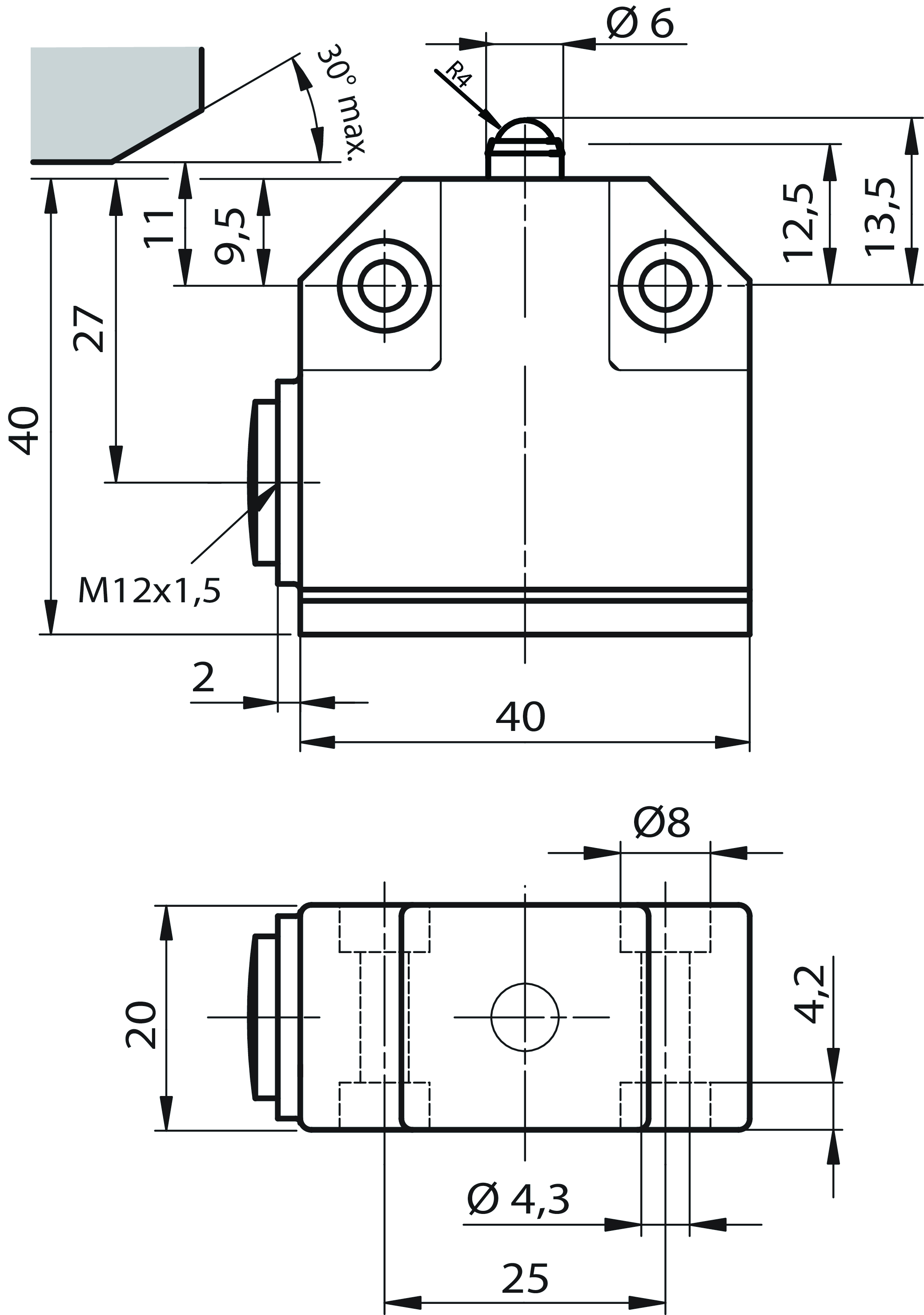
Maßzeichnungen

Anschlussbeispiele

Technische Daten
Zulassungen



Elektrische Anschlusswerte
| Absicherung | max. 5 A gG |
| Anschlussquerschnitt | 0.14 ... 1 mm² (Lötanschluss) |
| Bemessungsisolationsspannung Ui | 250 V |
| Bemessungsstoßspannung Uimp | 2.5 kV |
| Gebrauchskategorie | |
| DC-13 | 1A 24V |
| AC-15 | 4A 230V |
| Schaltstrom | |
| min. bei DC 12V | 10 mA |
| thermischer Bemessungsstrom Ith | 5 A |
Mechanische Werte und Umgebung
| Anfahrgeschwindigkeit | 0.01 ... 8 m/min |
| Anschlussart | |
| 1 x | M12 x 1,5 |
| Anzahl Öffner Türstellung | 1 Wechsler |
| Anzahl Schließer Türstellung | 1 (Wechsler) |
| Betätigungselement | |
| Stahlkugel D = 4mm | Kugelstößel |
| Betätigungskraft | 15 ... 20 N |
| Einbaulage | beliebig |
| Lagertemperatur | -25 ... 125 °C |
| Mechanische Lebensdauer | 0.5 x 10⁶ |
| Schaltprinzip | Wechsler mit Sprungfunktion |
| Schutzart | IP67 |
| Umgebungstemperatur | -5 ... 125 °C (Einsetzbar bei 180°C 200h) |
| Werkstoff | |
| Kontakt | Silberlegierung, hauchvergoldet |
| Gehäuse | Leichtmetall Druckguss anodisch oxidiert |
Kennwerte nach EN ISO 13849-1 / EN IEC 62061
| B10D | 20 x 10⁶ |
Downloads
Einzeldokumente
Anleitungen
Betriebsanleitung Präzisions-Einzelgrenztaster N01/NB01/SN01
Dok.-Nr.
Version
Sprache
Größe
Betriebsanleitung Präzisions-Einzelgrenztaster N01/NB01/SN01
Dok.-Nr.
2105376
Version
05/25
Sprache
Größe
0,7 MB
Operating Instructions Precision Single Limit Switch N01/NB01/SN01
Dok.-Nr.
2105376
Version
05/25
Sprache
Größe
0,7 MB
Mode d’emploi Fins de course monopistes de précision N01/NB01/SN01
Dok.-Nr.
2105376
Version
05/25
Sprache
Größe
0,7 MB
Manual de instrucciones Final de carrera unitario de precisión N01/NB01/SN01
Dok.-Nr.
2105376
Version
05/25
Sprache
Größe
0,7 MB
Istruzioni di impiego Finecorsa di precisione singoli N01/NB01/SN01
Dok.-Nr.
2105376
Version
05/25
Sprache
Größe
0,7 MB
Konformitätserklärungen
EU-Konformitätserklärung
Dok.-Nr.
Version
Sprache
Größe
EU-Konformitätserklärung
EU declaration of conformity
Déclaration UE de conformité
Declaración de conformidad UE
Dichiarazione UE di conformità
EU declaration of conformity
Déclaration UE de conformité
Declaración de conformidad UE
Dichiarazione UE di conformità
Dok.-Nr.
EDC2539628
Version
Sprache
Größe
0,2 MB
EU-Konformitätserklärung
EU declaration of conformity
Déclaration UE de conformité
Declaración de conformidad UE
Dichiarazione UE di conformità
EU declaration of conformity
Déclaration UE de conformité
Declaración de conformidad UE
Dichiarazione UE di conformità
Dok.-Nr.
EDC2539628
Version
Sprache
Größe
0,2 MB
UKCA-Konformitätserklärung
Dok.-Nr.
Version
Sprache
Größe
UKCA-Konformitätserklärung
Dok.-Nr.
EDC20001551
Version
Sprache
Größe
0,1 MB
Sonstige Dokumente
Verkaufsunterlagen
Positionsschalter und Reihengrenztaster
Dok.-Nr.
Version
Sprache
Größe
Positionsschalter und Reihengrenztaster
Dok.-Nr.
157835
Version
01-03/18
Sprache
Größe
4,1 MB
Position Switches and Multiple Limit Switches
Dok.-Nr.
157836
Version
01-03/18
Sprache
Größe
4,1 MB
Interrupteurs de position et boîtiers multipistes
Dok.-Nr.
157837
Version
01-03/18
Sprache
Größe
4,1 MB
Zulassungen und Bescheinigungen
DNV-GL
Dok.-Nr.
Version
Sprache
Größe
DNV-GL
Dok.-Nr.
Version
Sprache
Größe
0,2 MB
c UL us
Dok.-Nr.
Version
Sprache
Größe
c UL us
Dok.-Nr.
Version
Sprache
Größe
0,3 MB
CAD-Daten
Bestelldaten
| Bestellnummer | 087164 |
| Artikelbezeichnung | N01K572-M |
| Bruttogewicht | 0,087kg |
| Zolltarifnummer | 85365019000 |
| ECLASS | 27-27-06-01 Positionsschalter (Bauart 1) |
