HomeProduktePositionsschalter und ReihengrenztasterMechanische Einzelgrenztaster N01 und NB01 SN01N01R593-MC2445
Präzisions-Einzelgrenztaster N01, Rollenstößel, Steckverbinder M12
- Für Hochtemperatur bis +125°C
- Stößelwerkstoff rostbeständiger Stahl

Beschreibung




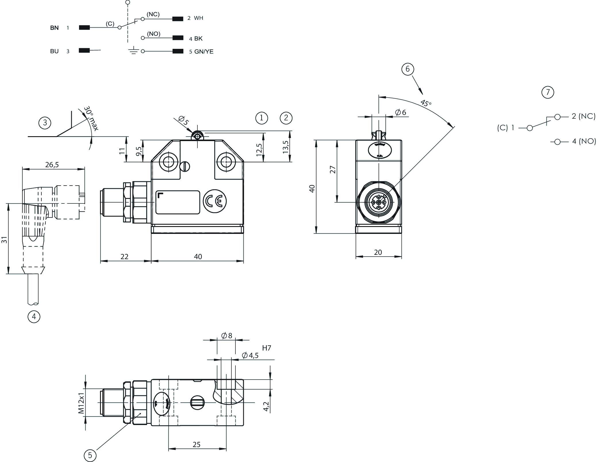
Maßzeichnungen

| 1 | Schaltpunkt |
| 2 | Ruhestellung |
| 3 | Nocken |
| 4 | Winkel-Steckverbinder: Leitungsabgang einstellbar max. 270°. Standardeinstellung für Leitungsabgang nach unten. |
| 5 | Empfohlenes Drehmoment 1-1,2 Nm |
| 6 | Führungsnase ausgerichtet |
| 7 | Schaltelement: ES593 Sprungschaltglied 1 Wechsler |
Anschlussbeispiele

Anschlussbeispiele

Anschlussbeispiele

Technische Daten
Zulassungen


Elektrische Anschlusswerte
| Absicherung | max. 2 A gG |
| Bemessungsisolationsspannung Ui | 250 V |
| Bemessungsstoßspannung Uimp | 1.5 kV |
| Gebrauchskategorie | |
| DC-13 | 1A 24V |
| Schaltstrom | |
| min. bei DC 24V | 10 mA |
| Schutzklasse | I |
Mechanische Werte und Umgebung
| Anfahrgeschwindigkeit | 0.01 ... 50 m/min |
| Anschlussart | |
| 1 x | Steckverbinder M12 x 1, einstellbar, Hochtemp. (5 polig) |
| Anzahl Öffner Türstellung | 1 |
| Anzahl Schaltelemente | 1 |
| Anzahl Schließer Türstellung | 1 |
| Anzahl Wechsler | 1 |
| Betätigungselement | |
| Gleitlager Metall | Rollenstößel |
| Betätigungskraft | 15 ... 20 N |
| Einbaulage | beliebig |
| Lagertemperatur | -25 ... 125 °C |
| Mechanische Lebensdauer | 0.5 x 10⁶ |
| Rollendurchmesser | 5 mm |
| Schaltprinzip | Wechsler mit Sprungfunktion |
| Schutzart | IP65 |
| Umgebungstemperatur | -5 ... 125 °C |
| Werkstoff | |
| Kontakt | Reinsilber (Ag) |
| Gehäuse | Aluminium-Druckguss eloxiert |
Verschiedenes
| Zusätzliches Merkmal | (Zugehöriger Kabelstecker mit TPE (PUR) Hochtemperatur Anschlußleitung für Temperaturen bis 100°C - 30.000 h 125°C- 8.000 h / 150°C - 2.000 h gesondert zu bestellen.) |
Zubehör
Downloads
Einzeldokumente
Anleitungen
Betriebsanleitung Präzisions-Einzelgrenztaster N01/NB01/SN01
Dok.-Nr.
Version
Sprache
Größe
Betriebsanleitung Präzisions-Einzelgrenztaster N01/NB01/SN01
Dok.-Nr.
2105376
Version
05/25
Sprache
Größe
0,7 MB
Operating Instructions Precision Single Limit Switch N01/NB01/SN01
Dok.-Nr.
2105376
Version
05/25
Sprache
Größe
0,7 MB
Mode d’emploi Fins de course monopistes de précision N01/NB01/SN01
Dok.-Nr.
2105376
Version
05/25
Sprache
Größe
0,7 MB
Manual de instrucciones Final de carrera unitario de precisión N01/NB01/SN01
Dok.-Nr.
2105376
Version
05/25
Sprache
Größe
0,7 MB
Istruzioni di impiego Finecorsa di precisione singoli N01/NB01/SN01
Dok.-Nr.
2105376
Version
05/25
Sprache
Größe
0,7 MB
Konformitätserklärungen
EU-Konformitätserklärung
Dok.-Nr.
Version
Sprache
Größe
EU-Konformitätserklärung
EU declaration of conformity
Déclaration UE de conformité
Declaración de conformidad UE
Dichiarazione UE di conformità
EU declaration of conformity
Déclaration UE de conformité
Declaración de conformidad UE
Dichiarazione UE di conformità
Dok.-Nr.
EDC2539628
Version
Sprache
Größe
0,2 MB
EU-Konformitätserklärung
EU declaration of conformity
Déclaration UE de conformité
Declaración de conformidad UE
Dichiarazione UE di conformità
EU declaration of conformity
Déclaration UE de conformité
Declaración de conformidad UE
Dichiarazione UE di conformità
Dok.-Nr.
EDC2539628
Version
Sprache
Größe
0,2 MB
UKCA-Konformitätserklärung
Dok.-Nr.
Version
Sprache
Größe
UKCA-Konformitätserklärung
Dok.-Nr.
EDC20001551
Version
Sprache
Größe
0,1 MB
Sonstige Dokumente
Verkaufsunterlagen
Positionsschalter und Reihengrenztaster
Dok.-Nr.
Version
Sprache
Größe
Positionsschalter und Reihengrenztaster
Dok.-Nr.
157835
Version
01-03/18
Sprache
Größe
4,1 MB
Position Switches and Multiple Limit Switches
Dok.-Nr.
157836
Version
01-03/18
Sprache
Größe
4,1 MB
Interrupteurs de position et boîtiers multipistes
Dok.-Nr.
157837
Version
01-03/18
Sprache
Größe
4,1 MB
Zulassungen und Bescheinigungen
DNV-GL
Dok.-Nr.
Version
Sprache
Größe
DNV-GL
Dok.-Nr.
Version
Sprache
Größe
0,2 MB
CAD-Daten
Bestelldaten
| Bestellnummer | 128070 |
| Artikelbezeichnung | N01R593-MC2445 |
| Bruttogewicht | 0,108kg |
| Zolltarifnummer | 85365019000 |
| ECLASS | 27-27-06-01 Positionsschalter (Bauart 1) |


