Baureihe RGBF... 12 mm mechanisch
- Stößelabstand 12 mm
- Gehäusebauform stehend nach DIN 43697
- Schutzart IP67 nach IEC 60529

Beschreibung
Schaltelement
ES 502 E | Sprungschaltglied 1 Ö + 1 S |
Bei Verwendung von Sicherheitsschaltelementen muss zum Erreichen des Zwangsöffnungsweges der Nockenabstand
eingehalten werden. Die Nocken müssen entsprechend EN 1088 formschlüssig montiert, d. h. vernietet, verschweißt oder anderweitig gegen Lösen gesichert werden.


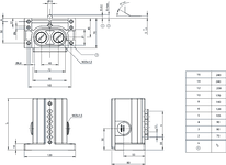
Maßzeichnungen

| 1 | Schaltpunkt |
| 2 | Ruhestellung |
| 3 | Nut für Dichtring |
| 4 | Anzahl der Stößel |
Anschlussbeispiele

Technische Daten
Zulassungen



Elektrische Anschlusswerte
| Absicherung | max. 8 A gG |
| Anschlussquerschnitt | 0.34 ... 1.5 mm² |
| Bemessungsisolationsspannung Ui | 250 V |
| Bemessungsstoßspannung Uimp | 2.5 kV |
| Gebrauchskategorie | |
| AC-15 | 6A 230V |
| DC-13 | 6A 24V |
| AC-12 | 8A 250V |
| Schaltstrom | |
| min. bei DC 12V | min. 10 mA |
| thermischer Bemessungsstrom Ith | 8 A |
Mechanische Werte und Umgebung
| Anfahrgeschwindigkeit | 0.01 ... 80 m/min |
| Anschlussart | |
| 4 x | M25 x 1,5 |
| Anzahl Öffner | 12 |
| Anzahl Schaltelemente | 12 |
| Anzahl Schließer | 12 |
| Bauform | stehend, nach DIN 43697 |
| Betätigungselement | |
| Gleitlager | Rollenstößel (Schaltpunktgenauigkeit ± 0,01. Die reproduzierbare Schaltpunktgenauigkeit bezieht sich auf den axialen Weg des Stößels und dem mit ca. 2000 Schaltspielen eingefahrenen Schaltelement ES 502 E.) |
| Betätigungskraft | min. 20 N |
| Einbaulage | beliebig |
| Lagertemperatur | -25 ... 80 °C |
| Mechanische Lebensdauer | 30 x 10⁶ |
| Schaltprinzip | Sprungschaltglied (Schließzeit < 4 Prelldauer < 3) |
| Schutzart | IP67 |
| Stößelabstand | 12 mm |
| Umgebungstemperatur | -5 ... 80 °C |
| Werkstoff | |
| Kontakt | Silberlegierung, hauchvergoldet |
| Gehäuse | Aluminium-Sandguss eloxiert |
Downloads
Einzeldokumente
Anleitungen
Betriebsanleitung Präzisions-Reihengrenztaster RG, GS, GL 12/16 mm
Dok.-Nr.
Version
Sprache
Größe
Betriebsanleitung Präzisions-Reihengrenztaster RG, GS, GL 12/16 mm
Dok.-Nr.
2032307
Version
08-08/24
Sprache
Größe
0,5 MB
Betriebsanleitung Präzisions-Reihengrenztaster RG, GS, GL 12/16 mm
Operating instructions Precision Multiple Limit Switches RG, GS, GL 12/16 mm
Mode d’emploi Boîtiers multipistes de précision RG, GS, GL 12/16 mm
Istruzioni di impiego Finecorsa multipli di precisione RG, GS, GL 12/16 mm
Operating instructions Precision Multiple Limit Switches RG, GS, GL 12/16 mm
Mode d’emploi Boîtiers multipistes de précision RG, GS, GL 12/16 mm
Istruzioni di impiego Finecorsa multipli di precisione RG, GS, GL 12/16 mm
Dok.-Nr.
2032307
Version
08-08/24
Sprache
Größe
1,9 MB
Manual de instrucciones Final de carrera múltiple de precisión RG, GS, GL 12/16 mm
Dok.-Nr.
2032307
Version
08-08/24
Sprache
Größe
0,5 MB
Konformitätserklärungen
EU-Konformitätserklärung
Dok.-Nr.
Version
Sprache
Größe
EU-Konformitätserklärung
EU declaration of conformity
Déclaration UE de conformité
Declaración de conformidad UE
Dichiarazione UE di conformità
EU declaration of conformity
Déclaration UE de conformité
Declaración de conformidad UE
Dichiarazione UE di conformità
Dok.-Nr.
EDC2539628
Version
Sprache
Größe
0,2 MB
EU-Konformitätserklärung
EU declaration of conformity
Déclaration UE de conformité
Declaración de conformidad UE
Dichiarazione UE di conformità
EU declaration of conformity
Déclaration UE de conformité
Declaración de conformidad UE
Dichiarazione UE di conformità
Dok.-Nr.
EDC2539628
Version
Sprache
Größe
0,2 MB
UKCA-Konformitätserklärung
Dok.-Nr.
Version
Sprache
Größe
UKCA-Konformitätserklärung
Dok.-Nr.
EDC20001551
Version
Sprache
Größe
0,1 MB
Sonstige Dokumente
Verkaufsunterlagen
Positionsschalter und Reihengrenztaster
Dok.-Nr.
Version
Sprache
Größe
Positionsschalter und Reihengrenztaster
Dok.-Nr.
157835
Version
01-03/18
Sprache
Größe
4,1 MB
Position Switches and Multiple Limit Switches
Dok.-Nr.
157836
Version
01-03/18
Sprache
Größe
4,1 MB
Interrupteurs de position et boîtiers multipistes
Dok.-Nr.
157837
Version
01-03/18
Sprache
Größe
4,1 MB
Zulassungen und Bescheinigungen
CCC
Dok.-Nr.
Version
Sprache
Größe
CCC
Dok.-Nr.
20001753
Version
Sprache
Größe
0,0 MB
c UL us
Dok.-Nr.
Version
Sprache
Größe
c UL us
Dok.-Nr.
Version
Sprache
Größe
0,3 MB
CAD-Daten
Bestelldaten
| Bestellnummer | 090139 |
| Artikelbezeichnung | RGBF12R12-502-M |
| Bruttogewicht | 1,968kg |
| Global Trade Item Number (GTIN) | 4047048003088 |
| Zolltarifnummer | 85365019000 |
| ECLASS | 27-27-06-02 Reihenpositionsschalter |
