Baureihe SN... 16 mm mechanisch
- Stößelabstand 16 mm
- Gehäusebauform stehend, kleiner Flansch
- Schutzart IP67 nach IEC 60529
- LED-Funktionsanzeige

Beschreibung
Schaltelement
ES 502 E | Sprungschaltglied 1 Ö + 1 S |
LED-Funktionsanzeige
Funktionsanzeige ist für folgenden Spannungsbereich lieferbar
LE060 | 12 ... 60 V AC/DC |


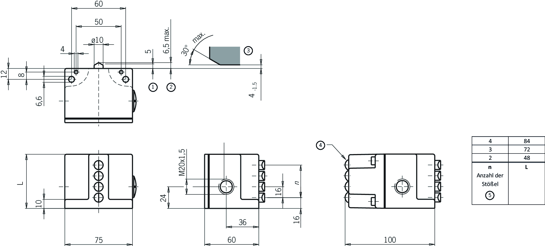
Maßzeichnungen

| 1 | Schaltpunkt |
| 2 | Ruhestellung |
| 3 | Nocken |
| 4 | LED |
| 5 | n Anzahl der Stößel |
Anschlussbeispiele

Technische Daten
Zulassungen



Elektrische Anschlusswerte
| Absicherung | max. 8 A gG |
| Anschlussquerschnitt | 0.34 ... 1.5 mm² |
| Anzeigemodul | |
| AC/DC | 12 ... 60 ... 60 V LED |
| Bemessungsisolationsspannung Ui | 250 V |
| Bemessungsstoßspannung Uimp | 2.5 kV |
| Gebrauchskategorie | |
| AC-12 | 8A 250V |
| DC-13 | 6A 24V |
| AC-15 | 6A 230V |
| Schaltstrom | |
| min. bei DC 12V | min. 10 mA |
| thermischer Bemessungsstrom Ith | 8 A |
Mechanische Werte und Umgebung
| Anfahrgeschwindigkeit | 0.01 ... 80 m/min |
| Anschlussart | |
| 2 x | M20 x 1,5 |
| Anzahl Öffner | 3 |
| Anzahl Schaltelemente | 3 |
| Anzahl Schließer | 3 |
| Bauform | stehend |
| Betätigungselement | |
| Gleitlager | Rollenstößel (Schaltpunktgenauigkeit ± 0,01. Die reproduzierbare Schaltpunktgenauigkeit bezieht sich auf den axialen Weg des Stößels und dem mit ca. 2000 Schaltspielen eingefahrenen Schaltelement ES 502 E.) |
| Betätigungskraft | min. 20 N |
| Einbaulage | beliebig |
| Lagertemperatur | -25 ... 80 °C |
| Mechanische Lebensdauer | 30 x 10⁶ |
| Schaltprinzip | Sprungschaltglied (Schließzeit < 4 ms Prelldauer < 3 ms) |
| Schutzart | IP67 |
| Stößelabstand | 16 mm |
| Umgebungstemperatur | -5 ... 80 °C |
| Werkstoff | |
| Kontakt | Silberlegierung, hauchvergoldet |
| Gehäuse | Aluminium-Druckguss eloxiert |
Downloads
Einzeldokumente
Anleitungen
Betriebsanleitung Präzisions-Reihengrenztaster SN 12/16 mm
Dok.-Nr.
Version
Sprache
Größe
Betriebsanleitung Präzisions-Reihengrenztaster SN 12/16 mm
Dok.-Nr.
2032308
Version
10-08/24
Sprache
Größe
0,5 MB
Betriebsanleitung Präzisions-Reihengrenztaster SN 12/16 mm
Operating instructions Precision Multiple Limit Switches SN 12/16 mm
Mode d’emploi Boîtiers multipistes de précision SN 12/16 mm
Istruzioni di impiego Finecorsa multipli di precisione SN 12/16 mm
Operating instructions Precision Multiple Limit Switches SN 12/16 mm
Mode d’emploi Boîtiers multipistes de précision SN 12/16 mm
Istruzioni di impiego Finecorsa multipli di precisione SN 12/16 mm
Dok.-Nr.
2032308
Version
10-08/24
Sprache
Größe
1,7 MB
Manual de instrucciones Final de carrera múltiple de precisión SN 12/16 mm
Dok.-Nr.
2032308
Version
10-08/24
Sprache
Größe
0,5 MB
Konformitätserklärungen
EU-Konformitätserklärung
Dok.-Nr.
Version
Sprache
Größe
EU-Konformitätserklärung
EU declaration of conformity
Déclaration UE de conformité
Declaración de conformidad UE
Dichiarazione UE di conformità
EU declaration of conformity
Déclaration UE de conformité
Declaración de conformidad UE
Dichiarazione UE di conformità
Dok.-Nr.
EDC2539628
Version
Sprache
Größe
0,2 MB
EU-Konformitätserklärung
EU declaration of conformity
Déclaration UE de conformité
Declaración de conformidad UE
Dichiarazione UE di conformità
EU declaration of conformity
Déclaration UE de conformité
Declaración de conformidad UE
Dichiarazione UE di conformità
Dok.-Nr.
EDC2539628
Version
Sprache
Größe
0,2 MB
UKCA-Konformitätserklärung
Dok.-Nr.
Version
Sprache
Größe
UKCA-Konformitätserklärung
Dok.-Nr.
EDC20001551
Version
Sprache
Größe
0,1 MB
Sonstige Dokumente
Verkaufsunterlagen
Positionsschalter und Reihengrenztaster
Dok.-Nr.
Version
Sprache
Größe
Positionsschalter und Reihengrenztaster
Dok.-Nr.
157835
Version
01-03/18
Sprache
Größe
4,1 MB
Position Switches and Multiple Limit Switches
Dok.-Nr.
157836
Version
01-03/18
Sprache
Größe
4,1 MB
Interrupteurs de position et boîtiers multipistes
Dok.-Nr.
157837
Version
01-03/18
Sprache
Größe
4,1 MB
Zulassungen und Bescheinigungen
CCC
Dok.-Nr.
Version
Sprache
Größe
CCC
Dok.-Nr.
20001753
Version
Sprache
Größe
0,0 MB
c UL us
Dok.-Nr.
Version
Sprache
Größe
c UL us
Dok.-Nr.
Version
Sprache
Größe
0,3 MB
CAD-Daten
Bestelldaten
| Bestellnummer | 088763 |
| Artikelbezeichnung | SN03R16-502LE060-M |
| Bruttogewicht | 0,623kg |
| Zolltarifnummer | 85365019000 |
| ECLASS | 27-27-06-02 Reihenpositionsschalter |
