ZSA, 3-stufig mit Leitung und Steckverbinder SS4
- Gehäuse G1
- 3-stufige Funktion
- Anschlussleitung gerade mit Steckverbinder, 10 m
- Direktanschluss an Sicherheitsschalter

Beschreibung
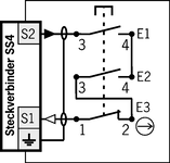
Schaltelement
1110 | 1 S/Ö |
Leitung
Die hochwertigen Anschlussleitungen (Einzelschirmung der Sicherheitskontakte) sind in gerader Ausführung erhältlich.
Geeignet für Direktanschluss an Sicherheitsschalter
Dieser Zustimmtaster kann direkt an einen Sicherheitsschalter (TZ…C1662) angeschlossen werden.
3-stufige Funktion
Zustimmfunktion nur in der zweiten Stufe (Mittelposition, Druckpunkt) aktiv. Beim Loslassen oder Durchdrücken (Panikfunktion) der Taste wird die Zustimmung aufgehoben (abhängig von der Verdrahtung, siehe Funktionsablauf).




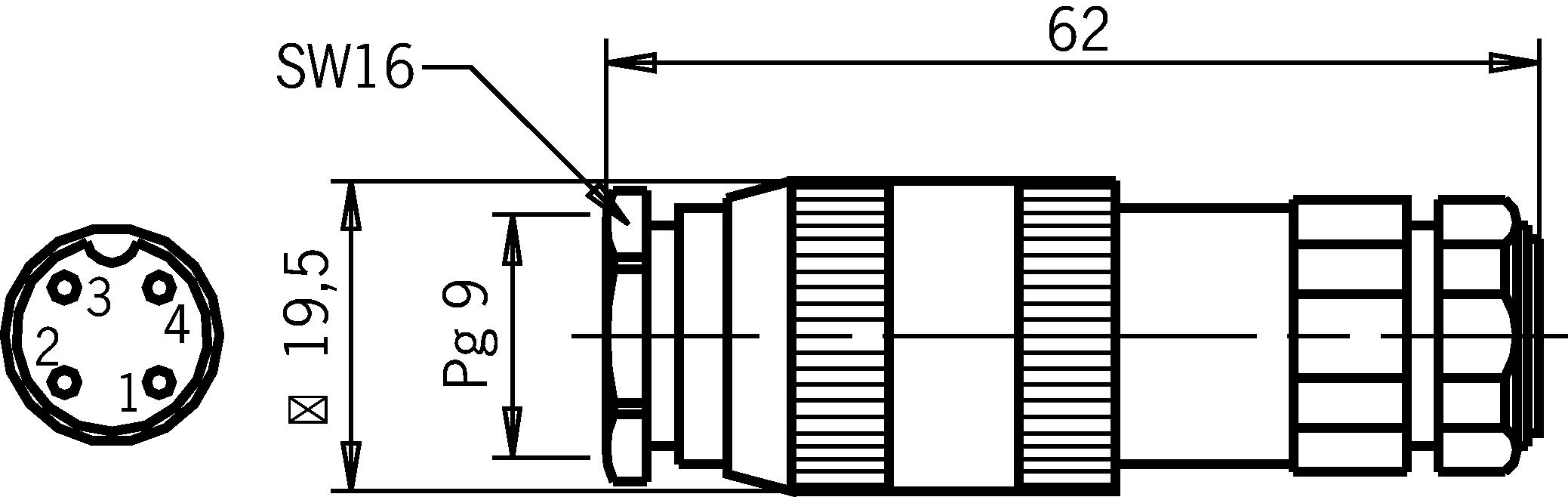
Maßzeichnungen

Maßzeichnungen

Anschlussbeispiele

Schaltwegdiagramme

| square_grey_dark.eps | geschlossen, Zustimmung |
| square_grey_light.eps | geschlossen |
| square_white.eps | offen |
Technische Daten
Zulassungen



Elektrische Anschlusswerte
| Absicherung | max. 2 A gG |
| Anschlussleitung | 3x0,75²mm (2 Adern geschirmt) |
| bedingter Bemessungskurzschlussstrom | 100 A |
| Bemessungsisolationsspannung Ui | 32 V |
| Bemessungsstoßspannung Uimp | 0.8 kV |
| Gebrauchskategorie | |
| AC-15 | 2A 24V |
| DC-13 | 2A 24V |
| Schaltspannung | |
| min. bei 10mA | 12 V |
| Schaltstrom | |
| min. bei 24V | 1 mA |
| Schaltverhalten | 3 stufiger Zustimmtaster |
| Verschmutzungsgrad (extern, nach EN 60947-1) | 3 |
Mechanische Werte und Umgebung
| Anschlussart | Steckverbinder Polzahl 3 + PE |
| Anzahl Schließer | 2 |
| Anzahl Zwangsöffner | 1 |
| Lagertemperatur | -25 ... 70 °C |
| Leitungslänge | |
| gerade | 10 m |
| Mechanische Lebensdauer | |
| Stellung1-2-3-1 | 0.1 x 10⁶ |
| Stellung1-2-1 | 0.1 x 10⁶ |
| Schaltprinzip | Schleichschalter |
| Schutzart | IP67 |
| Umgebungstemperatur | -5 ... 50 °C |
| Werkstoff | Kunststoff |
Kennwerte nach EN ISO 13849-1 / EN IEC 62061
| Zustimmtaster | |
| B10D | 0.5 x 10⁶ |
Verschiedenes
| erfüllte Normen | 60947-5-8 |
Zubehör
Downloads
Einzeldokumente
Konformitätserklärungen
EU-Konformitätserklärung
Dok.-Nr.
Version
Sprache
Größe
EU-Konformitätserklärung
Dok.-Nr.
EDC2109392
Version
Sprache
Größe
0,2 MB
UKCA-Konformitätserklärung
Dok.-Nr.
Version
Sprache
Größe
UKCA-Konformitätserklärung
Dok.-Nr.
EDC20001579
Version
Sprache
Größe
0,1 MB
Sonstige Dokumente
Zulassungen und Bescheinigungen
CCC
Dok.-Nr.
Version
Sprache
Größe
CCC
Dok.-Nr.
20001753
Version
Sprache
Größe
0,0 MB
c UL us
Dok.-Nr.
Version
Sprache
Größe
c UL us
Dok.-Nr.
Version
Sprache
Größe
0,2 MB
CAD-Daten
Bestelldaten
| Bestellnummer | 057098 |
| Artikelbezeichnung | ZSA2B2G10B-C1662 |
| Bruttogewicht | 1,106kg |
| Zolltarifnummer | 85365019000 |
| ECLASS | 27-37-12-38 Zustimmschalter |


