内置LED,向侧面照射

Description
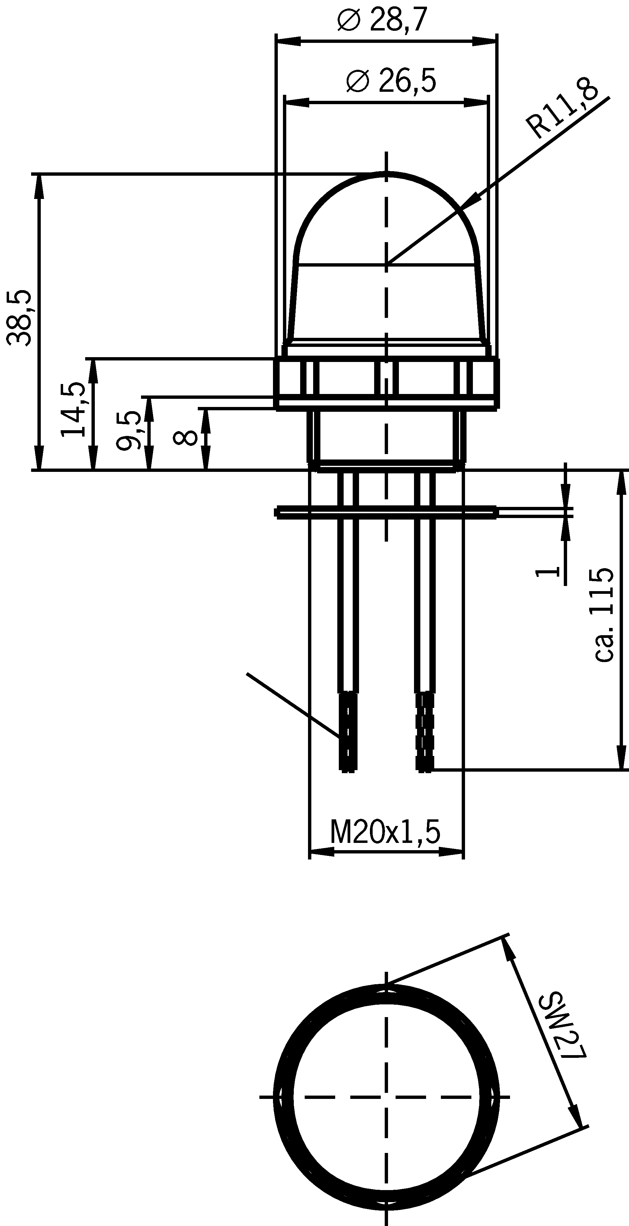
内置LED适于直接安装在拉绳开关RPS和安全开关GP/TP/STP/STA的三个电缆入线M20 x 1.5螺纹孔内。内置LED可向操作人员指示开关是否触发。开关元件可以单独配线。工作电压:DC 24 V +10%,-15%。

尺寸图

Technical data
操作和显示元件
| LED显示屏 | 1个LED灯,红色 |
电气连接值
| 工作电压 | |
| LED | 24 V (带整流器的LED) |
机械值和环境
| 螺纹 | M20x1,5 |
| 存储温度 | -25 ... 70 °C |
| 保护等级 | IP65 |
| 材料 | 塑料 |
Downloads
Single Documents
Other Documents
销售文件
Emergency Stop Devices/Rope Pull Switches
Doc. no.
Version
Language
Size
Emergency Stop Devices/Rope Pull Switches
Doc. no.
116448
Version
06-06/16
Language
Size
1,8 MB
Dispositifs d‘arrêt d‘urgence/interrupteurs à câble
Doc. no.
116529
Version
06-06/16
Language
Size
1,8 MB
Dispositivos de parada de emergencia / Interruptores de accionamiento por cable
Doc. no.
116530
Version
06-06/16
Language
Size
1,8 MB
Not-Halt-Geräte/Seilzugschalter
Doc. no.
106210
Version
06-06/16
Language
Size
1,8 MB
塑料壳体 的安全开关
Doc. no.
Version
Language
Size
塑料壳体 的安全开关
Doc. no.
116243
Version
11-03/18
Language
Size
6,1 MB
Safety Switches with Plastic Housing
Doc. no.
096956
Version
11-03/18
Language
Size
6,5 MB
Interrupteurs de sécurité avec boîtier plastique
Doc. no.
100677
Version
11-03/18
Language
Size
6,6 MB
Interruptores de seguridad con carcasa plástica
Doc. no.
104855
Version
11-03/18
Language
Size
6,6 MB
Sicherheitsschalter mit Kunststoffgehäuse
Doc. no.
096955
Version
11-03/18
Language
Size
6,6 MB
Bezpečnostní spínače s plastovým pouzdrem
Doc. no.
121649
Version
11-03/18
Language
Size
6,5 MB
CAD data
Ordering data
| Ordernumber | 087423 |
| Item designation | EINBAULEUCHTE LED M20X1,5 |
| Gross weight | 0,037kg |
| Customs tariff number | 85389099990 |
