S触发块,用于SGA/SGP/STA/STP/STM安全开关
- 内附两个安全螺钉
- 与TP触发块P-G物理兼容

Description
注意
S-...-SN触发块不得结合插接筒使用。S-...-LN触发块必须结合插接筒使用。
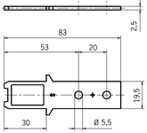
直线型触发块
适于最大拉紧力3000N的应用。直头触发块用于移门或开闭半径大于300 mm的铰链门。安全螺钉可起到防止触发块螺纹松动的作用。
不锈钢材质螺钉
内附的安全螺钉可采用普通工具插装,但不可再拆下。

尺寸图

Technical data
审批

机械值和环境
| 存储温度 | -25 ... 70 °C |
| 超行程 | max. 5 mm |
| 门半径 | min. 300 mm |
| 材料 | |
| 触发块 | 不锈钢 |
| 螺钉 | 不锈钢 |
杂项
| C数值 | |
| C2115 | 此类触发块与TP触发块的安装尺寸相同 |
| 插接筒的可用性 | 否 |
Accessories
Downloads
批准和证书
DGUV
Doc. no.
Version
Language
Size
DGUV
Doc. no.
Version
Language
Size
3,5 MB
销售文件
塑料壳体 的安全开关
Doc. no.
Version
Language
Size
塑料壳体 的安全开关
Doc. no.
116243
Version
11-03/18
Language
Size
6,1 MB
Safety Switches with Plastic Housing
Doc. no.
096956
Version
11-03/18
Language
Size
6,5 MB
Interrupteurs de sécurité avec boîtier plastique
Doc. no.
100677
Version
11-03/18
Language
Size
6,6 MB
Interruptores de seguridad con carcasa plástica
Doc. no.
104855
Version
11-03/18
Language
Size
6,6 MB
Sicherheitsschalter mit Kunststoffgehäuse
Doc. no.
096955
Version
11-03/18
Language
Size
6,6 MB
Bezpečnostní spínače s plastovým pouzdrem
Doc. no.
121649
Version
11-03/18
Language
Size
6,5 MB
金属壳体 的安全开关
Doc. no.
Version
Language
Size
金属壳体 的安全开关
Doc. no.
102453
Version
11-03/18
Language
Size
8,2 MB
Safety Switches with Metal Housing
Doc. no.
100369
Version
11-03/18
Language
Size
7,8 MB
Interrupteurs de sécurité avec boîtier métallique
Doc. no.
100676
Version
11-03/18
Language
Size
7,9 MB
Interruptores de seguridad con carcasa metálica
Doc. no.
104856
Version
11-03/18
Language
Size
14,0 MB
Sicherheitsschalter mit Metallgehäuse
Doc. no.
100319
Version
11-03/18
Language
Size
7,9 MB
Bezpečnostní spínače s kovovým pouzdrem
Doc. no.
121650
Version
11-03/18
Language
Size
7,8 MB
CAD data
Ordering data
| Ordernumber | 097861 |
| Item designation | BETAETIGER-S-G-SN-C2115 |
| Gross weight | 0,03kg |
| Customs tariff number | 85389099990 |
| ECLASS | 27-27-26-06 Actuator for safety-related position switch |
