无源式配线模块
- 最多可连接4个CES-AR、CET-AR、CTP-AR、MGBS-AR和ESL-AR
- 每个端口上用于门位置指示的LED灯
- 可进行串连

Description


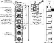
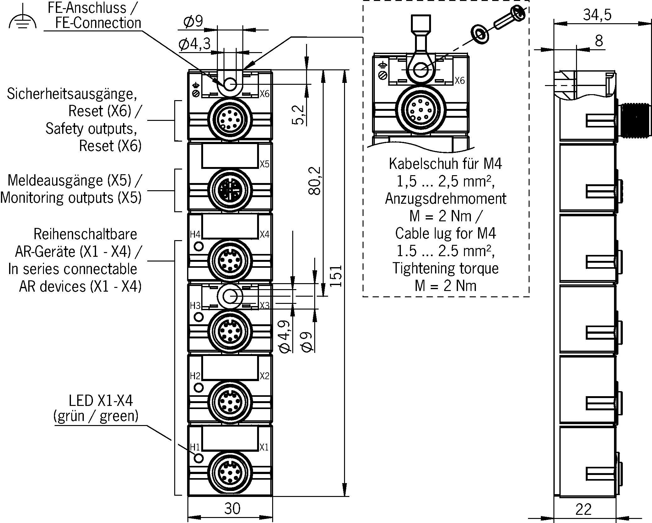
尺寸图

连接实例

Technical data
审批

电气连接值
| 额定冲击电压 Uimp | 0.8 kV |
| 额定电压 | 18 ... 24 ... 30 V |
| 额定电流 | |
| 每触点 | 2 A |
| 累积电流 | max. 2 A |
机械值和环境
| 尺寸 | 151 x 30 x 34.5 |
| 存储温度 | -25 ... 70 °C |
| 环境温度 | -20 ... 60 °C |
| 材料 | |
| 壳体 | PBT塑料,黑色 |
| 连接5 | |
| 连接类型 | 1个M12圆形接插头 |
| 连接类型 | 母插头 |
| 绝缘材料组 | III |
| 插针数 | 5 |
| 保护等级 | IP67 (处于插入状态) |
| 插头锁 | 螺钉端子 |
| 材料 | |
| 插头壳体 | 铜锌,镀镍 |
| 触点 | 铜锌,镀金 |
| 连接6 | |
| 连接类型 | 1个M12圆形接插头 |
| 连接类型 | 公头 |
| 绝缘材料组 | III |
| 插针数 | 8 |
| 保护等级 | IP67 (处于插入状态) |
| 插头锁 | 螺钉端子 |
| 材料 | |
| 插头壳体 | 铜锌,镀镍 |
| 触点 | 铜锌,镀金 |
| 连接1-4 | |
| 连接类型 | 4个M12圆形接插头 |
| 连接类型 | 母插头 |
| 绝缘材料组 | III |
| 插针数 | 8 |
| 保护等级 | IP67 (处于插入状态) |
| 插头锁 | 螺钉端子 |
| 材料 | |
| 插头壳体 | PBT塑料,黑色 |
| 触点 | 铜锌,镀金 |
Accessories
Downloads
Single Documents
符合性声明
EU-Konformitätserklärung
Doc. no.
Version
Language
Size
EU-Konformitätserklärung
Doc. no.
EDC20001578
Version
Language
Size
0,2 MB
说明
Safety information
Doc. no.
Version
Language
Size
Safety information
Information de sécurité
Información de seguridad
Sicherheitsinformation
Informação de segurança
Informazioni sulla sicurezza
Bezpečnostní informace
Biztonsági információ
Информация за безопасност
Sikkerhedsinformation
Ohutusalane teave
Turvallisuustiedot
Πληροφορία ασφαλείας
Sigurnosne informacije
Informācija par drošību
Saugos informacija
Veiligheidsinformatie
Sikkerhetsinformasjon
Informacje o bezpieczeństwie
Säkerhetsinformation
Varnostne informacije
Bezpečnostné informácie
Güvenlik bilgisi
Informații privind siguranța
Information de sécurité
Información de seguridad
Sicherheitsinformation
Informação de segurança
Informazioni sulla sicurezza
Bezpečnostní informace
Biztonsági információ
Информация за безопасност
Sikkerhedsinformation
Ohutusalane teave
Turvallisuustiedot
Πληροφορία ασφαλείας
Sigurnosne informacije
Informācija par drošību
Saugos informacija
Veiligheidsinformatie
Sikkerhetsinformasjon
Informacje o bezpieczeństwie
Säkerhetsinformation
Varnostne informacije
Bezpečnostné informácie
Güvenlik bilgisi
Informații privind siguranța
Doc. no.
MAN20001593
Version
01-10/22
Language
Size
0,6 MB
Sicherheitsinformation
Doc. no.
MAN20001593
Version
01-10/22
Language
Size
0,2 MB
Other Documents
批准和证书
c UL us
Doc. no.
Version
Language
Size
c UL us
Doc. no.
Version
Language
Size
0,4 MB
Ordering data
| Ordernumber | 120861 |
| Item designation | AC-DP-04-SA-120861 |
| Gross weight | 0,193kg |
| Customs tariff number | 85389091 |



