用于CTP安全开关的CTP-GFK门闩
- 玻璃纤维加固塑料门闩
- 适用于左开或右开式铰链门
- 可通过挂锁锁止在开启位置
- 内附触发块

Description
优势
- 结构轻便、紧凑
- 通过螺钉连接方式,易于安装到标准铝合金框架和机器外盖上
- 显眼的黄色,易于辨识
- 无需对安全门进行额外的操作
注意
- 此类功能仅可结合内附的TP/STP GFK开关支架使用
- 需单独订购安全开关
- 需单独订购开关支架

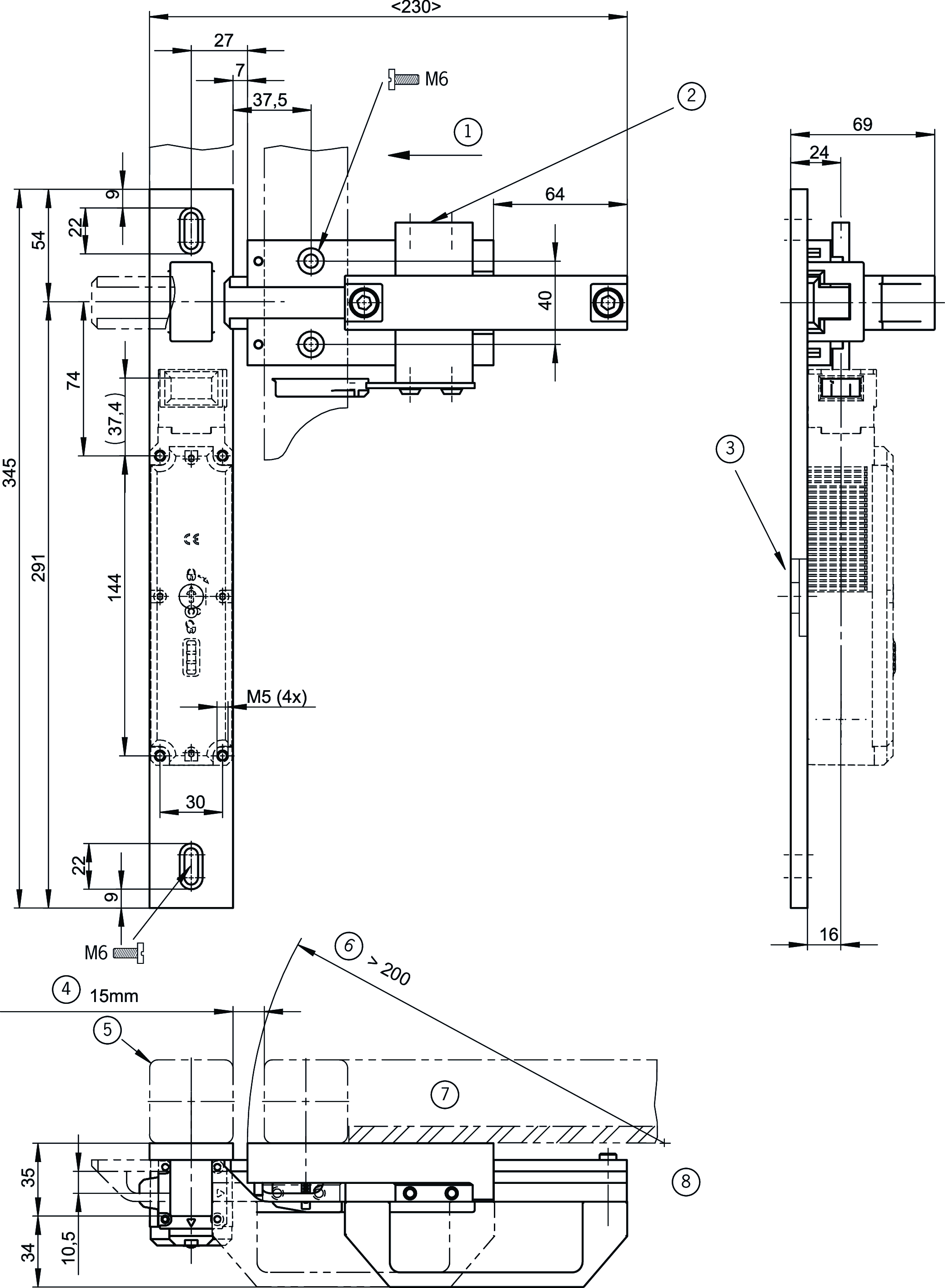
尺寸图

| 1 | 接近方向A |
| 2 | 对于左开式铰链门,触发块安装在此面上,并调整开关和门闩的接近方向。 |
| 3 | 适用于配有应急逃生解锁功能的开关的开口 |
| 4 | 门间隙 |
| 5 | 安全门框架(40x40) |
| 6 | 门半径 |
| 7 | 右开式铰链门 |
Technical data
机械值和环境
| 接近方向 | A 或 C |
| 可安装的安全开关数 | 1 |
| 应急逃生解锁装置 | 无 |
| 存储温度 | -25 ... 70 °C |
| 材料 | |
| 手柄 | 塑料 |
| 底板 | 塑料 |
| 开关支架 | 塑料 |
| 导向带 | 塑料 |
杂项
| 机械制动装置 | 无 |
Accessories
Downloads
Single Documents
说明
Safety Information for Bolts
Doc. no.
Version
Language
Size
Safety Information for Bolts
Information de sécurité pour verrous-targettes
Información de seguridad para cerrojos
Sicherheitsinformation für Riegel
Information de sécurité pour verrous-targettes
Información de seguridad para cerrojos
Sicherheitsinformation für Riegel
Doc. no.
2530033
Version
04-03/24
Language
Size
0,2 MB
Sicherheitsinformation für Riegel
Doc. no.
2530033
Version
04-03/24
Language
Size
0,2 MB
Informação de segurança referente ao trinco
Doc. no.
2530033
Version
04-03/24
Language
Size
0,4 MB
Informazioni sulla sicurezza per il chiavistello
Doc. no.
2530033
Version
04-03/24
Language
Size
0,1 MB
Bezpečnostní informace pro petlice
Doc. no.
2530033
Version
04-03/24
Language
Size
0,5 MB
Tolózár biztonsági információi
Doc. no.
2530033
Version
04-03/24
Language
Size
0,5 MB
Информация за безопасност за ригели
Doc. no.
2530033
Version
04-03/24
Language
Size
0,5 MB
Sikkerhedsinformation for bolte
Doc. no.
2530033
Version
04-03/24
Language
Size
0,4 MB
Ohutusalane teave riivistuste kohta
Doc. no.
2530033
Version
04-03/24
Language
Size
0,5 MB
Turvallisuustietoja salvalle
Doc. no.
2530033
Version
04-03/24
Language
Size
0,4 MB
Πληροφορίες ασφαλείας για μάνδαλα
Doc. no.
2530033
Version
04-03/24
Language
Size
0,5 MB
Sigurnosne informacije za brave
Doc. no.
2530033
Version
04-03/24
Language
Size
0,5 MB
Aizbīdņu drošības informācija
Doc. no.
2530033
Version
04-03/24
Language
Size
0,5 MB
Saugos informacija skląsčiui
Doc. no.
2530033
Version
04-03/24
Language
Size
0,5 MB
Veiligheidsinformatie voor grendels
Doc. no.
2530033
Version
04-03/24
Language
Size
0,4 MB
Sikkerhetsinformasjon for låser
Doc. no.
2530033
Version
04-03/24
Language
Size
0,4 MB
Informacje o bezpieczeństwie dotyczące użytkowania zasuw
Doc. no.
2530033
Version
04-03/24
Language
Size
0,5 MB
Säkerhetsinformation för regeln
Doc. no.
2530033
Version
04-03/24
Language
Size
0,4 MB
Varnostne informacije o zapahu
Doc. no.
2530033
Version
04-03/24
Language
Size
0,5 MB
Bezpečnostná informácia pre závory
Doc. no.
2530033
Version
04-03/24
Language
Size
0,5 MB
Sürgüler için güvenlik bilgisi
Doc. no.
2530033
Version
04-03/24
Language
Size
0,5 MB
Informații de siguranță privind zăvoarele
Doc. no.
2530033
Version
04-03/24
Language
Size
0,5 MB
Other Documents
销售文件
信息表
Doc. no.
Version
Language
Size
信息表
Info sheets
Fiches info
Ficha informativa
Fichas de informação
情報シート
정보 시트
Informační listy
Info sheets
Fiches info
Ficha informativa
Fichas de informação
情報シート
정보 시트
Informační listy
Doc. no.
158439
Version
12-02/18
Language
Size
2,4 MB
transponder-coded safety switch CTP with guard locking
Doc. no.
123244
Version
12-02/18
Language
Size
2,3 MB
Interrupteur de sécurité à codage par transpondeur CTP avec interverrouillage
Doc. no.
123245
Version
12-02/18
Language
Size
2,3 MB
Interruptor de seguridad CTP codifi cado por transponder con bloqueo
Doc. no.
123246
Version
12-02/18
Language
Size
2,3 MB
Transpondercodierter Sicherheitsschalter CTP mit Zuhaltung
Doc. no.
123243
Version
12-02/18
Language
Size
2,3 MB
信息表
Info sheets
Fiches info
Ficha informativa
Fichas de informação
情報シート
정보 시트
Informační listy
Info sheets
Fiches info
Ficha informativa
Fichas de informação
情報シート
정보 시트
Informační listy
Doc. no.
126214
Version
12-02/18
Language
Size
2,3 MB
Finecorsa di sicurezza con codifi ca a transponder CTP con meccanismo di ritenuta
Doc. no.
126042
Version
12-02/18
Language
Size
2,3 MB
Bezpecnostní spínac CTP s kódovaným transpondérem a jištením ochranného krytu
Doc. no.
126604
Version
12-02/18
Language
Size
2,3 MB
Kodowany RFID - wyłącznik bezpieczeństwa CTP z ryglowaniem
Doc. no.
160884
Version
12-02/18
Language
Size
2,2 MB
Kilitli RFID kodlu emniyet salteri CTP
Doc. no.
126076
Version
12-02/18
Language
Size
2,3 MB
Ordering data
| Ordernumber | 123657 |
| Item designation | RIEGEL CTP-GFK |
| Gross weight | 0,35kg |
| Customs tariff number | 39269097900 |
