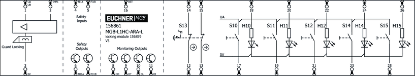
MGB-L1H-ARA...系列锁止套件(弹簧力锁止),配有5个按钮,急停开关,包含标签载体,RC26接插头
- 配有门锁监控功能的门锁
- 可串联其它AR设备(例如,CES-AR和CET-AR)
- 配有MGB-C控制模块
- 符合ISO 13850要求的急停开关
- 5个按钮(发光式)
- 包含粘性标签
- 配有RC26圆形接插头
- 特殊编码

Description
锁止类型
MGB-L1... | 锁勾靠弹簧的弹力使之将安全锁舌保持在锁止位置,通过电磁线圈磁力作用解除锁定(通电解锁,机械锁止)。 |
门铰链
MGB评估模块内固定集成有一个机械式门挡块。该挡块上的标记可让调整工作更为轻松。
LED指示灯
LED指示灯可指示所有重要的系统和状态信息。
监控输出
OD | ON(安全门处于关闭状态时) |
OT | 锁舌插入评估模块 |
OL | 锁止电磁线圈处于锁止位置 |
OI | 诊断;出现故障 |
急停开关设备
S1 | 2个强制断开触点,旋转复位急停开关(不发光) |
按钮
S10 | 1个常开触点,发光 |
S11 | 1个常开触点,发光 |
S12 | 1个常开触点,发光 |
S14 | 1个常开触点,发光 |
S15 | 1个常开触点,发光 |
粘性标签
具有粘性标签的装置上有预制凹槽。可将附带的粘性标签(标准大小为12.5 x 27 mm)粘附在这些凹槽内。










尺寸图

尺寸图

连接实例

Technical data
审批




手柄模块 MGB-H-AA1A1-L-106619 (秩序。没有。 106619)
机械值和环境
| 安装方向 | DIN左开式门铰链 |
| 存储温度 | -25 ... 70 °C |
| 保护等级 | IP65 |
| 环境温度 | -20 ... 55 °C |
| 材料 | |
| 壳体 | 玻璃纤维加固塑料,压铸锌,镀镍,不锈钢 |
杂项
| 产品版本号 | V3.0.0 |
锁止模块 MGB-L1C-ARA-L-156859 (秩序。没有。 156859)
操作和显示元件
| 占有率示意图 | |
| C2 | |
| L0 |
| 职务 | 颜色 | 附加部分 | 开关元件 | 滑入式标签 | 产品描述 | 注意滑入式标签 | 编号 | 名称1 | LED |
|---|---|---|---|---|---|---|---|---|---|
| 10 | 1常开 | 发光按钮 | |||||||
| 11 | 1常开 | 发光按钮 | |||||||
| 12 | 1常开 | 发光按钮 | |||||||
| 13 | 2 PD | Klebeschild D40mm | 急停开关 | ||||||
| 14 | 1常开 | 发光按钮 | |||||||
| 15 | 1常开 | 发光按钮 |
电气连接值
| 额定绝缘电压Ui | 30 V |
| 额定冲击电压 Uimp | 1.5 kV |
| 差异时间 | |
| 介于FO1A和FO1B之间 | max. 10 ms |
| 利用类别 | |
| DC-13 | 24V 200mA (注意:对于感性负载,必须使用续流二极管对输出进行保护。) |
| 风险时间,符合EN 60947-5-3标准 | max. 350 ms |
| 根据EN 60947-5-3的规定,风险时间,每增加一个单元就延长一次 | max. 5 ms |
| 安全等级 | III |
| 应答机编码 | Unicode |
| 污染程度(外部,符合EN 60947-1) | 3 |
| 电磁线圈控制输入IMP1、IMP2、IMM | |
| 测试脉冲持续时间 | max. 5 ms |
| 测试脉冲间隔 | min. 100 ms |
| 控制装置及指示灯 | |
| 断流容量 | max. 0.25 W |
| 切换电压 | UA V |
| 切换电流 | 1 ... 10 mA |
| LED电源 | 24 V DC |
| 急停开关 | |
| 断流容量 | max. 0.25 W |
| 切换电压 | 5 ... 24 V |
| 切换电流 | 1 ... 100 mA |
| LED电源 | 24 V DC |
| 监控输出OD、OT、OL、OI | |
| 输出类型 | 半导体输出,p开关,防短路功能 |
| 输出电压 | UA-2V ... UA V DC (开关电流为50mA时的值(不考虑电缆长度)) |
| 输出电流 | max. 50 mA |
| 安全输出FO1A、FO1B | |
| 输出类型 | 半导体输出,p开关,防短路功能 |
| 输出电压 | |
| 低UFO1A /UFO1B | 0 ... 1 V DC |
| 高UFO1A /UFO1B | UB-2V ... UB V DC (开关电流为50mA时的值(不考虑电缆长度)) |
| 输出电流 | |
| 每安全输出FO1A/FO1B | 1 ... 200 mA |
| 测试脉冲持续时间 | max. 1 ms |
| 测试脉冲间隔 | min. 100 ms |
| UA电源 | |
| 工作电压DC | |
| UA | 24 V DC -15% ... +10% ((反极性保护,稳压,残余纹波<5%,PELV)) |
| 电流消耗 | |
| IUA | max. 375 mA ((配有通电门锁电磁线圈和无负载输出OD、OT、OL、OI,+20 °C,24V)) |
| UB电源 | |
| 工作电压DC | |
| UB | 24 V DC -15% ... +10% ((反极性保护,稳压,残余纹波<5%,PELV)) |
| 电流消耗 | |
| IUB | max. 80 mA ((无负载输出)) |
机械值和环境
| 连接类型 | RC26圆形接插头 (X6) |
| 安装方向 | DIN左开式门铰链 |
| 开关频率 | 0.25 Hz |
| 存储温度 | -25 ... 70 °C |
| 机械寿命 | |
| 适合用作门挡块,冲击能量为1焦耳 | 0.1 x 10⁶ |
| 1 x 10⁶ | |
| 保护等级 | IP65 |
| 环境温度 | |
| UB = 24V DC时 | -20 ... 55 °C |
| 材料 | |
| 壳体 | 玻璃纤维加固塑料,压铸锌,镀镍,不锈钢 |
| 锁紧力FZh | 2000 N |
| 门锁原理 | 通电解锁 |
符合EN ISO 13849-1和EN IEC 62061的特性值
| プライバシーション | 最大SIL | PFHD | 类别 | 任务时间 | |
|---|---|---|---|---|---|
| 门锁装置控制 | PL e | - | 2.8x10-9 | 4 | 20 y |
| 监控安全门位置 | PL e | - | 3.7x10-9 | 4 | 20 y |
| 门锁监控 | PL e | - | 3.7x10-9 | 4 | 20 y |
| B10D | 任务时间 | |
|---|---|---|
| 急停开关 | 0.13x106 | 20 y |
杂项
| 滑入式标签 | |||||||
| |||||||
| 产品版本号 | V4.0.0 | ||||||
| 附加功能 | 内附镜头套件,ID编号120344 | ||||||
Components
106619
MGB-H-AA1A1-L-106619
MGB-H-...系列手柄模块
MGB-H-AA1A1-L-106619
MGB-H-...系列手柄模块
- 智能门闩舌
- 锁止装置
- 门手柄
156859
MGB-L1C-ARA-L-156859
MGB-L1-ARA...系列锁止模块(弹簧力锁止),配有5个按钮,急停开关,包含标签载体,RC26接插头
MGB-L1C-ARA-L-156859
MGB-L1-ARA...系列锁止模块(弹簧力锁止),配有5个按钮,急停开关,包含标签载体,RC26接插头
- 配有门锁监控功能的门锁
- 可串联其它AR设备(例如,CES-AR和CET-AR)
- 配有MGB-C控制模块
- 符合ISO 13850要求的急停开关
- 5个按钮(发光式)
- 包含粘性标签
- 配有RC26圆形接插头
- 特殊编码
Accessories
Downloads
Single Documents
符合性声明
说明
使用说明书 安全系统 MGB-L1…-AR.-… / MGB-L2…-AR.-…和MGB-L1…-AP.-… / MGB-L2…-AP.-…
Doc. no.
Version
Language
Size
使用说明书 安全系统 MGB-L1…-AR.-… / MGB-L2…-AR.-…和MGB-L1…-AP.-… / MGB-L2…-AP.-…
Doc. no.
2119167
Version
09/23
Language
Size
4,2 MB
Operating Instructions Safety Systems MGB-L1…-AR.-… / MGB-L2…-AR.-… and MGB-L1…-AP.-… / MGB-L2…-AP.-…
Doc. no.
2119167
Version
09/23
Language
Size
3,9 MB
Mode d’emploi Systèmes de sécurité MGB-L1…-AR.-… / MGB-L2…-AR.-… et MGB-L1…-AP.-… / MGB-L2…-AP.-…
Doc. no.
2119167
Version
09/23
Language
Size
3,9 MB
Manual de instrucciones Sistemas de seguridad MGB-L1…-AR.-…/MGB-L2…-AR.-… y MGB-L1…-AP.-…/MGB-L2…-AP.-…
Doc. no.
2119167
Version
09/23
Language
Size
3,9 MB
Betriebsanleitung Sicherheitssysteme MGB-L1…-AR.-… / MGB-L2…-AR.-… und MGB-L1…-AP.-… / MGB-L2…-AP.-…
Doc. no.
2119167
Version
09/23
Language
Size
3,9 MB
Manual de instruções Sistemas de segurança MGB-L1…-AR.-… / MGB-L2…-AR.-… e MGB-L1…-AP.-… / MGB-L2…-AP.-…
Doc. no.
2119167
Version
09/23
Language
Size
3,8 MB
Istruzioni di impiego Sistemi di sicurezza MGB-L1…-AR.-… / MGB-L2…-AR.-… e MGB-L1…-AP.-… / MGB-L2…-AP.-…
Doc. no.
2119167
Version
09/23
Language
Size
3,9 MB
操作説明書 安全システム MGB-L1…-AR.-… / MGB-L2…-AR.-… および MGB-L1…-AP.-… / MGB-L2…-AP.-…
Doc. no.
2119167
Version
09/23
Language
Size
4,2 MB
사용 설명서 안전 시스템 MGB-L1…-AR.-… / MGB-L2…-AR.-… 및 MGB-L1…-AP.-… / MGB-L2…-AP.-…
Doc. no.
2119167
Version
09/23
Language
Size
4,2 MB
Инструкция по эксплуатации Предохранительные системы MGB-L1…-AR.-… / MGB-L2…-AR.-… и MGB-L1…-AP.-… / MGB-L2…-AP.-…
Doc. no.
2119167
Version
09/23
Language
Size
4,3 MB
Návod k použití Bezpečnostní systémy MGB-L1…-AR.-… / MGB-L2…-AR.-… a MGB-L1…-AP.-… / MGB-L2…-AP.-…
Doc. no.
2119167
Version
09/23
Language
Size
4,3 MB
Gebruiksaanwijzing Beveiligingssystemen MGB-L1…-AR.-… / MGB-L2…-AR.-… en MGB-L1…-AP.-… / MGB-L2…-AP.-…
Doc. no.
2119167
Version
09/23
Language
Size
3,8 MB
Instrukcja obsługi Systemy bezpieczeństwa MGB-L1…-AR.-… / MGB-L2…-AR.-… i MGB-L1…-AP.-… / MGB-L2…-AP.-…
Doc. no.
2119167
Version
09/23
Language
Size
4,3 MB
Instruktionsbok Säkerhetssystem MGB-L1…-AR.-…/MGB-L2…-AR.-… och MGB-L1…-AP.-…/MGB-L2…-AP.-…
Doc. no.
2119167
Version
09/23
Language
Size
3,9 MB
Návod na prevádzku Bezpečnostné systémy MGB-L1…-AR.-… / MGB-L2…-AR.-… a MGB-L1…-AP.-… / MGB-L2…-AP.-…
Doc. no.
2119167
Version
09/23
Language
Size
4,3 MB
İşletim kılavuzu Emniyet sistemleri MGB-L1…-AR.-… / MGB-L2…-AR.-… ve MGB-L1…-AP.-… / MGB-L2…-AP.-…
Doc. no.
2119167
Version
09/23
Language
Size
4,2 MB
Інструкція з експлуатації запобіжних систем MGB-L1…-AR.-… / MGB-L2…-AR.-… і MGB-L1…-AP.-… / MGB-L2…-AP.-…
Doc. no.
2119167
Version
09/23
Language
Size
4,3 MB
Other Documents
批准和证书
DGUV_MGB1_ET 25017_ET 25018
Doc. no.
Version
Language
Size
DGUV_MGB1_ET 25017_ET 25018
Doc. no.
Version
Language
Size
4,6 MB
FCC
Doc. no.
Version
Language
Size
FCC
Doc. no.
Version
Language
Size
0,2 MB
IC
Doc. no.
Version
Language
Size
IC
Doc. no.
Version
Language
Size
0,6 MB
c UL us
Doc. no.
Version
Language
Size
c UL us
Doc. no.
Version
Language
Size
0,7 MB
CAD data
Ordering data
| Ordernumber | 156861 |
| Item designation | MGB-L1HC-ARA-L-156861 |
| Gross weight | 2,73kg |
| Customs tariff number | 85371098 |
| ECLASS | 27-27-24-05 Safety-related transponder switch with guardlocking |

















