MGB-L2HC-ARA-L-112532 (Order no. 112532)

MGB-L2H-ARA...系列锁止套件(电磁力锁止),配有3个按钮,2个指示灯,急停开关,包含标签载体,RC26接插头

  • 配有门锁监控功能的门锁
  • 可串联其它AR设备(例如,CES-AR和CET-AR)
  • 配有MGB-C控制模块
  • 符合ISO 13850要求的急停开关
  • 3个按钮(发光,两个白色和一个蓝色)
  • 2个指示灯(发光,红绿两色)
  • 包含粘性标签
  • 配有RC26圆形接插头
  • 特殊编码
MGB-L2HC-ARA-L-112532 (Order no. 112532)

Description

锁止类型

MGB-L2...

安全锁勾在电磁线圈磁力作用下,将锁舌保持在锁止位置,当电磁线圈断电,安全锁勾在弹簧的弹力作用下释放锁舌,解除锁定(断电解锁,通电上锁)。

门铰链

MGB评估模块内固定集成有一个机械式门挡块。该挡块上的标记可让调整工作更为轻松。

LED指示灯

LED指示灯可指示所有重要的系统和状态信息。

监控输出

OD

ON(安全门处于关闭状态时)

OT

锁舌插入评估模块

OL

锁止电磁线圈处于锁止位置

OI

诊断;出现故障

急停开关设备

S1

2个强制断开触点和1个常开触点(如监控触点),旋转复位急停开关(不发光)

按钮

S10

1常开触点、白色、发光式

S11

1常开触点、白色、发光式

S15

1常开触点、蓝色、发光式

指示灯

H12

LED,绿色

H14

LED,红色

粘性标签

具有粘性标签的装置上有预制凹槽。可将附带的粘性标签(标准大小为12.5 x 27 mm)粘附在这些凹槽内。

尺寸示意图
尺寸示意图
尺寸示意图
尺寸示意图
配线图
配线图
MGB:冲击试验
MGB:在右侧安装门,没有应急逃生解锁装置
MGB:在左侧安装门,配有应急逃生解锁装置
MGB:在左侧安装门,没有应急逃生解锁装置
MGB:正在使用
MGB:停用门锁监控功能
MGB:按钮镜头更换
MGB:启用解锁装置监控功能
MGB:将单线(AP)改为串联接线(AR)
MGB:启用门锁监控功能

尺寸图

尺寸图

尺寸图

尺寸图

连接实例

连接实例

Technical data

审批

c_UL_us_E155795_3/9DGUV_MGB1_ET 25017_ET 25018EAC_RU C-DE.HX37.B.14157/20FCC_2AJ58-09_

锁止模块 MGB-L2C-ARA-L-112530 (秩序。没有。 112530)

锁止模块 MGB-L2C-ARA-L-112530  (秩序。没有。 112530)

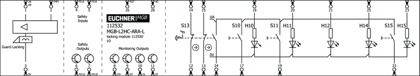
操作和显示元件

占有率示意图
C2
L0
职务颜色附加部分注意滑入式标签产品描述开关元件滑入式标签编号名称1LED
10白色发光按钮1常开
11白色发光按钮1常开
12绿信号指示灯
13带监控触点急停开关2 PD + 1常开Klebeschild D40mm
14信号指示灯
15发光按钮1常开

电气连接值

额定绝缘电压Ui 30 V
额定冲击电压 Uimp 1.5 kV
差异时间
介于FO1A和FO1B之间 max. 10 ms
利用类别
DC-13 24V 200mA (注意:对于感性负载,必须使用续流二极管对输出进行保护。)
风险时间,符合EN 60947-5-3标准 max. 350 ms
根据EN 60947-5-3的规定,风险时间,每增加一个单元就延长一次 max. 5 ms
安全等级 III
应答机编码 Unicode
污染程度(外部,符合EN 60947-1) 3
电磁线圈控制输入IMP1、IMP2、IMM
测试脉冲持续时间 max. 5 ms
测试脉冲间隔 min. 100 ms
控制装置及指示灯
断流容量 max. 0.25 W
切换电压 UA V
切换电流 1 ... 10 mA
LED电源 24 V DC
急停开关
断流容量 max. 0.25 W
切换电压 5 ... 24 V
切换电流 1 ... 100 mA
LED电源 24 V DC
监控输出OD、OT、OL、OI
输出类型 半导体输出,p开关,防短路功能
输出电压 UA-2V ... UA V DC (开关电流为50mA时的值(不考虑电缆长度))
输出电流 max. 50 mA
安全输出FO1A、FO1B
输出类型 半导体输出,p开关,防短路功能
输出电压
低UFO1A /UFO1B 0 ... 1 V DC
高UFO1A /UFO1B UB-2V ... UB V DC (开关电流为50mA时的值(不考虑电缆长度))
输出电流
每安全输出FO1A/FO1B 1 ... 200 mA
测试脉冲持续时间 max. 1 ms
测试脉冲间隔 min. 100 ms
UA电源
工作电压DC
UA 24 V DC -15% ... +10% ((反极性保护,稳压,残余纹波<5%,PELV))
电流消耗
IUA max. 375 mA ((配有通电门锁电磁线圈和无负载输出OD、OT、OL、OI,+20 °C,24V))
UB电源
工作电压DC
UB 24 V DC -15% ... +10% ((反极性保护,稳压,残余纹波<5%,PELV))
电流消耗
IUB max. 80 mA ((无负载输出))

机械值和环境

连接类型 RC26圆形接插头 (X6)
安装方向 DIN左开式门铰链
开关频率 0.25 Hz
存储温度 -25 ... 70 °C
机械寿命
1 x 10⁶
适合用作门挡块,冲击能量为1焦耳 0.1 x 10⁶
保护等级 IP65
环境温度
UB = 24V DC时 -20 ... 55 °C
材料
壳体 玻璃纤维加固塑料,压铸锌,镀镍,不锈钢
锁紧力FZh 2000 N
门锁原理 断电解锁

符合EN ISO 13849-1和EN IEC 62061的特性值

プライバシーション最大SILPFHD类别任务时间
监控安全门位置PL e-3.7x10-9420 y
门锁监控PL e-3.7x10-9420 y


B10D任务时间
急停开关0.13x10620 y


杂项

滑入式标签
编号标签注意
5无标记
产品版本号 V4.0.0

手柄模块 MGB-H-AA1A3-L-111158 (秩序。没有。 111158)

手柄模块 MGB-H-AA1A3-L-111158  (秩序。没有。 111158)

机械值和环境

安装方向 DIN左开式门铰链
存储温度 -25 ... 70 °C
保护等级 IP65
环境温度 -20 ... 55 °C
材料
壳体 玻璃纤维加固塑料,压铸锌,镀镍,不锈钢

杂项

产品版本号 V3.0.0
附加功能 配有自动锁止装置

Accessories

Downloads

Single Documents

Doc. no.
Version
Language
Size
Doc. no. 2119167
使用说明书 安全系统 MGB-L1…-AR.-… / MGB-L2…-AR.-…和MGB-L1…-AP.-… / MGB-L2…-AP.-…
Doc. no.
2119167
Version
09/23
Language
Size
4,2 MB
Doc. no. 2119167
Operating Instructions Safety Systems MGB-L1…-AR.-… / MGB-L2…-AR.-… and MGB-L1…-AP.-… / MGB-L2…-AP.-…
Doc. no.
2119167
Version
09/23
Language
Size
3,9 MB
Doc. no. 2119167
Mode d’emploi Systèmes de sécurité MGB-L1…-AR.-… / MGB-L2…-AR.-… et MGB-L1…-AP.-… / MGB-L2…-AP.-…
Doc. no.
2119167
Version
09/23
Language
Size
3,9 MB
Doc. no. 2119167
Manual de instrucciones Sistemas de seguridad MGB-L1…-AR.-…/MGB-L2…-AR.-… y MGB-L1…-AP.-…/MGB-L2…-AP.-…
Doc. no.
2119167
Version
09/23
Language
Size
3,9 MB
Doc. no. 2119167
Betriebsanleitung Sicherheitssysteme MGB-L1…-AR.-… / MGB-L2…-AR.-… und MGB-L1…-AP.-… / MGB-L2…-AP.-…
Doc. no.
2119167
Version
09/23
Language
Size
3,9 MB
Doc. no. 2119167
Manual de instruções Sistemas de segurança MGB-L1…-AR.-… / MGB-L2…-AR.-… e MGB-L1…-AP.-… / MGB-L2…-AP.-…
Doc. no.
2119167
Version
09/23
Language
Size
3,8 MB
Doc. no. 2119167
Istruzioni di impiego Sistemi di sicurezza MGB-L1…-AR.-… / MGB-L2…-AR.-… e MGB-L1…-AP.-… / MGB-L2…-AP.-…
Doc. no.
2119167
Version
09/23
Language
Size
3,9 MB
Doc. no. 2119167
操作説明書 安全システム MGB-L1…-AR.-… / MGB-L2…-AR.-… および MGB-L1…-AP.-… / MGB-L2…-AP.-…
Doc. no.
2119167
Version
09/23
Language
Size
4,2 MB
Doc. no. 2119167
사용 설명서 안전 시스템 MGB-L1…-AR.-… / MGB-L2…-AR.-… 및 MGB-L1…-AP.-… / MGB-L2…-AP.-…
Doc. no.
2119167
Version
09/23
Language
Size
4,2 MB
Doc. no. 2119167
Инструкция по эксплуатации Предохранительные системы MGB-L1…-AR.-… / MGB-L2…-AR.-… и MGB-L1…-AP.-… / MGB-L2…-AP.-…
Doc. no.
2119167
Version
09/23
Language
Size
4,3 MB
Doc. no. 2119167
Návod k použití Bezpečnostní systémy MGB-L1…-AR.-… / MGB-L2…-AR.-… a MGB-L1…-AP.-… / MGB-L2…-AP.-…
Doc. no.
2119167
Version
09/23
Language
Size
4,3 MB
Doc. no. 2119167
Gebruiksaanwijzing Beveiligingssystemen MGB-L1…-AR.-… / MGB-L2…-AR.-… en MGB-L1…-AP.-… / MGB-L2…-AP.-…
Doc. no.
2119167
Version
09/23
Language
Size
3,8 MB
Doc. no. 2119167
Instrukcja obsługi Systemy bezpieczeństwa MGB-L1…-AR.-… / MGB-L2…-AR.-… i MGB-L1…-AP.-… / MGB-L2…-AP.-…
Doc. no.
2119167
Version
09/23
Language
Size
4,3 MB
Doc. no. 2119167
Instruktionsbok Säkerhetssystem MGB-L1…-AR.-…/MGB-L2…-AR.-… och MGB-L1…-AP.-…/MGB-L2…-AP.-…
Doc. no.
2119167
Version
09/23
Language
Size
3,9 MB
Doc. no. 2119167
Návod na prevádzku Bezpečnostné systémy MGB-L1…-AR.-… / MGB-L2…-AR.-… a MGB-L1…-AP.-… / MGB-L2…-AP.-…
Doc. no.
2119167
Version
09/23
Language
Size
4,3 MB
Doc. no. 2119167
İşletim kılavuzu Emniyet sistemleri MGB-L1…-AR.-… / MGB-L2…-AR.-… ve MGB-L1…-AP.-… / MGB-L2…-AP.-…
Doc. no.
2119167
Version
09/23
Language
Size
4,2 MB
Doc. no. 2119167
Інструкція з експлуатації запобіжних систем MGB-L1…-AR.-… / MGB-L2…-AR.-… і MGB-L1…-AP.-… / MGB-L2…-AP.-…
Doc. no.
2119167
Version
09/23
Language
Size
4,3 MB

Other Documents

Ordering data

Ordernumber 112532
Item designation MGB-L2HC-ARA-L-112532
Gross weight 2,849kg
Customs tariff number 85371098
ECLASS 27-27-24-05 Safety-related transponder switch with guardlocking