安全开关 CES-AR-CL2-...,RFID,连接电缆 PUR
- 通用编码
- 门位置 OUT 信号输出
- 连接电缆 PUR,5 米,开口电缆端,8 芯
- 适用于低环境温度
- 左开式门铰链

Description
典型工作距离
(触发块CES-A-BLN...结合安全开关CES-AP-C.2-...,适用于塑料材质上安装的情形)
如果触发块和安全开关沿一侧接近,必须维持至少s = 6 mm的距离,以确保开关正常输出。
注意事项:
根据执行机构、基体材料和安装情况的不同,响应范围也会有所不同。更多操作范围请参见操作说明书。
通用编码安全评估
系统检查执行机构的类型是否可以被系统识别(多码评估)。系统的编码水平较低。每个合适的执行机构都能被开关识别。
安全特性
由于有两个带内部监控的冗余安全输出(半导体输出),该设备适用于
- 类别 4 /PL e,符合 EN 13849-1 标准
SIL 3(根据 EN IEC 62061 表 4
所用的 OSSD 输出端通过测试脉冲检查其功能是否存在短路和交叉电路。
LED指示灯
STATE(状态) | 状态LED灯 |
DIA | 诊断LED指示灯 |
引脚定义
| 产品描述 | 功能 | 接配线电缆的导线颜色 |
|---|---|---|
| IB | 启用输入,通道A | WH |
| UB | 电子装置工作电压,24 V DC | BN |
| OA | 安全输出,通道A | 绿 |
| OB | 安全输出,通道B | 黄 |
| OUT | 监控输出 | GY |
| IA | 启用输入,通道A | PK |
| 0 伏特 | 质量 0 V 直流电压 | BU |
| RST | 复位输入 | 红 |
交货范围
- 2 x 安全螺钉 M4x14
所需附件
不包含触发块。


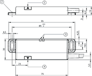
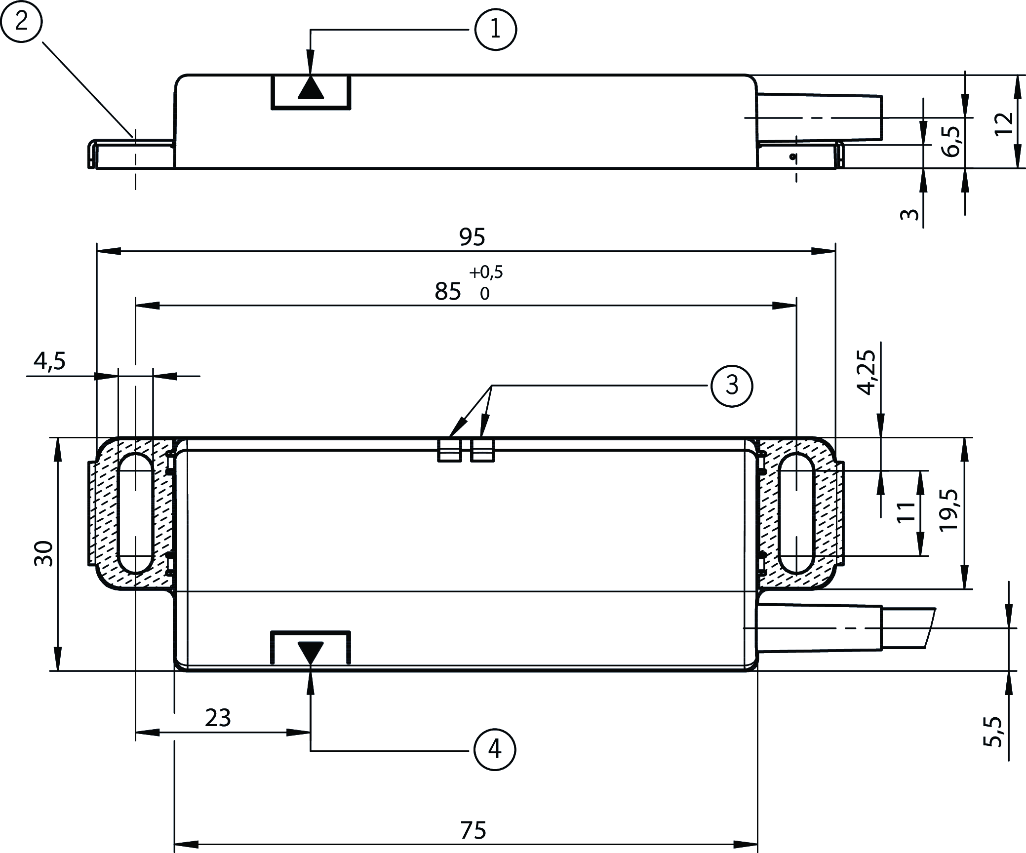
尺寸图

| 1 | 工作面 |
| 2 | 带有加固板的紧固接线片 |
| 3 | LED状态指示灯 |
| 4 | 工作面 |
连接实例

Technical data
审批


工作区
| 重复精度R | |
| 符合EN 60947-5-2标准 | 10 % |
电气连接值
| 套期保值 | |
| 外部(工作电压) | 0.25 ... 8 A |
| 额定绝缘电压Ui | 75 V |
| 额定冲击电压 Uimp | 1.5 kV |
| 工作电压DC | |
| UB | 24 V DC -15% ... +15% 稳压,残余纹波<5% |
| 开启时间 | |
| 安全输出 | max. 400 ms |
| EMC保护要求 | 符合EN IEC 60947-5-3标准 |
| 风险时间,符合EN 60947-5-3标准 | max. 260 ms |
| 根据EN 60947-5-3的规定,风险时间,每增加一个单元就延长一次 | max. 5 ms |
| 安全等级 | III |
| 电流消耗 | max. 50 mA (不考虑监控输出和安全输出的负载电流) |
| 污染程度(外部,符合EN 60947-1) | 3 |
| 监控输出OUT | |
| 输出类型 | p开关,防短路功能 |
| 输出电压 | 0.8 x UB ... UB V DC |
| 切换电流 | max. 50 mA |
| 安全输出OA / OB | |
| 输出类型 | 半导体输出,p开关,防短路功能 |
| 输出电压 | |
| 高U(OA、OB) | UB-1.5V ... UB V DC (开关电流为50 mA时的值(不考虑电缆长度)。) |
| 低U(OA、OB) | 0 ... 1 V DC |
| 额定限制短路电流 | 100 A |
| 差异时间 | max. 10 ms |
| 利用类别 | |
| DC-13 | 24V 200mA (注意:对于感性负载,必须使用续流二极管对输出进行保护。) |
| 断态电流Ir | max. 0.25 mA |
| 切换电流 | |
| 每安全输出 | 1 ... 200 mA |
| 测试脉冲持续时间 | max. 1 ms (适用于C<= 30nF且R<= 20kOhm的负载) |
| 测试脉冲间隔 | min. 140 ms |
机械值和环境
| 连接类型 | PUR接配线电缆,长度5 m |
| 拧紧扭矩 | |
| 固定螺钉 | max. 1 Nm |
| 就绪状态延时 | 10 s |
| 动态弯曲半径 | 10 x电缆直径 |
| 静态弯曲半径 | 5 x电缆直径 |
| 安装方向 | 任何 |
| 开关频率 | max. 1 Hz |
| 存储温度 | -30 ... 70 °C |
| 安装距离 | |
| 开关之间 | min. 120 mm |
| 安装类型 | 安装在金属表面 |
| 抗冲击和振动 | 符合EN IEC 60947-5-3标准 |
| 保护等级 | IP67/IP69K |
| 电缆环境温度(动态) | -25 ... 65 °C |
| 电缆环境温度(静态) | -30 ... 65 °C |
| 材料 | |
| 壳体 | 塑料,PBT |
符合EN ISO 13849-1和EN IEC 62061的特性值
| プライバシーション | 最大SIL | PFHD | 类别 | 任务时间 | |
|---|---|---|---|---|---|
| 监控安全门位置 | PL e | - | 1.9x10-9 | 4 | 20 y |
杂项
| UL 认证注意事项 | 只能通过2级UL电源或等效措施进行工作 |
结合CES-A-BLN-R2-100776、CES-A-BLN-U2-103450、CES-A-BLN-L2-104510、CES-A-BLN-U2-112710触发块使用
| 开启距离 | 15 mm |
| 安全关机距离sar | |
| y方向 | max. 60 mm |
| x/z方向 | max. 40 mm |
| 安全的开关距离sao | min. 10 mm |
| 开关磁滞 | 1 ... 2 mm |
结合CES-A-BDN-06-104730触发块使用
| 开启距离 | 19 mm |
| 安全关机距离sar | |
| y方向 | max. 60 mm |
| x/z方向 | max. 40 mm |
| 安全的开关距离sao | min. 14 mm |
| 开关磁滞 | 1 ... 2 mm |
Accessories
Downloads
Single Documents
符合性声明
说明
使用说明书 非接触式安全开关 CES-AR-C.2-⋯ (特殊/通用编码)
Doc. no.
Version
Language
Size
使用说明书 非接触式安全开关 CES-AR-C.2-⋯ (特殊/通用编码)
Doc. no.
2109309
Version
10-05/20
Language
Size
1,5 MB
Operating Instructions Non-Contact Safety Switch CES-AR-C.2-... (Unicode/Multicode)
Doc. no.
2109309
Version
10-05/20
Language
Size
1,3 MB
Mode d'emploi Interrupteur de sécurité sans contact CES-AR-C.2-... (uni-/multicode)
Doc. no.
2109309
Version
10-05/20
Language
Size
1,3 MB
Manual de instrucciones Interruptor de seguridad sin contacto CES-AR-C.2-... (Unicode/Multicode)
Doc. no.
2109309
Version
10-05/20
Language
Size
1,3 MB
Betriebsanleitung Berührungsloser Sicherheitsschalter CES-AR-C.2-... (Uni-/Multicode)
Doc. no.
2109309
Version
10-05/20
Language
Size
1,3 MB
Istruzioni di impiego Finecorsa di sicurezza senza contatto CES-AR-C.2-... (Uni-/Multicode)
Doc. no.
2109309
Version
10-05/20
Language
Size
1,3 MB
Návod k použití Bezkontaktní bezpečnostní spínač CES-AR-C.2-... (Unicode/Multicode)
Doc. no.
2109309
Version
10-05/20
Language
Size
1,5 MB
Driftsvejledning Kontaktløs sikkerhedsafbryder CES-AR-C.2-… (Uni-/Multicode)
Doc. no.
2109309
Version
10-05/20
Language
Size
1,6 MB
Other Documents
批准和证书
c UL us
Doc. no.
Version
Language
Size
c UL us
Doc. no.
Version
Language
Size
0,3 MB
销售文件
Flexibel sicher - Transpondercodierte Sicherheitssysteme CES
Doc. no.
Version
Language
Size
Flexibel sicher - Transpondercodierte Sicherheitssysteme CES
Doc. no.
119922
Version
06-06/22
Language
Size
8,4 MB
Flexibly safe - Transponder-coded safety systems CES
Doc. no.
Version
Language
Size
Flexibly safe - Transponder-coded safety systems CES
Doc. no.
120233
Version
06-06/22
Language
Size
7,3 MB
CAD data
Ordering data
| Ordernumber | 109045 |
| Item designation | CES-AR-CL2-CH-L05-109045 |
| Gross weight | 0,251kg |
| Customs tariff number | 85365019000 |
| ECLASS | 27-27-24-03 Safety-related transponder switch |



